
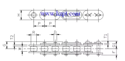
CHAIN NO.(ANSI) | Pitch | Width | Roller | Plate | Pin | Average ?Ultimate Strength kgf | Approx Weightkg/m | ||||||
P | W | Dia | Height | Thickness | Dia | Lengths | |||||||
inch | mm | mm | R | H | T1 | T2 | D | F | G | G1 | |||
| 40F | 1/2" | 12.70 | 7.94 | 7.92 | 12.00 | 1.50 | 1.50 | 3.96 | 8.20 | 9.35 | 10.1 | 1850 | 0.65 |
| 50F | 5/8" | 15.875 | 9.53 | 10.16 | 15.00 | 2.00 | 2.00 | 5.06 | 10.10 | 11.65 | 12.6 | 3100 | 1.03 |
| 60F | 3/4" | 19.05 | 12.70 | 11.91 | 18.10 | 2.40 | 2.40 | 5.95 | 12.50 | 14.15 | 15.4 | 4400 | 1.46 |
| 80F | 1" | 25.40 | 15.88 | 15.88 | 24.00 | 3.10 | 3.10 | 7.94 | 16.10 | --- | 18.80 | 7800 | 2.44 |
| 100F | 1-1/4" | 31.75 | 19.05 | 19.05 | 28.90 | 3.90 | 3.90 | 9.52 | 20.10 | --- | 23.10 | 11800 | 4.31 |
Address
Luotuo Industrial Area, Zhenhai District, Ningbo City, China
Tel
