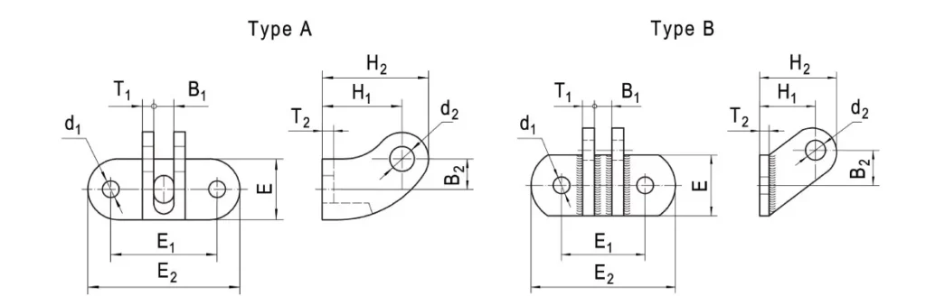
Sugar Mill Chains With Straight Plate
Sugar mills require robust and efficient equipment to ensure smooth and productive operations. One vital component in the sugar milling process is the sugar mill chains with straight plates. These chains are designed to withstand the demanding conditions and heavy loads encountered in sugar mill applications.Sugar mill chains with straight plates are indispensable in sugar milling operations, offering durability, reliability, and enhanced performance. Their robust construction, precision engineering, corrosion resistance, and high wear resistance make them ideal for the demanding conditions in sugar mills. By following proper maintenance practices, sugar mill operators can maximize the lifespan of these chains, minimize downtime, and optimize the efficiency of their milling processes. Invest in sugar mill chains with straight plates to enhance your sugar mill's productivity and profitability.


![]() | ![]() |
![]() | ![]() |
![]() | ![]() |
![]() | ![]() |

Address
Luotuo Industrial Area, Zhenhai District, Ningbo City, China
Tel
