THS060 Series Precision Hollow Rotating Platform
The THS060 series precision hollow rotating platform is a game-changer in rotational motion control. Engineered with precision and versatility in mind, this platform offers unparalleled performance for a wide range of applications. This article will explore the key characteristics, usage methods, and maintenance guidelines for the THS060 Series, empowering you to leverage its capabilities and elevate your rotational motion control.The THS060 series precision hollow rotating platform revolutionizes rotational motion control with its unmatched precision, versatile open structure, high load capacity, and compact design. By following the recommended usage methods and maintenance practices, you can maximize the performance and longevity of this exceptional product. Step into a new era of rotational motion control with the THS060 series precision hollow rotating platform and unleash the full potential of your applications.






Installation direction free designTH rotating platform, in addition to horizontal installation, can be installed vertically or upside down; the device design range is wide.Please note when using:The hollow rotary transmission occasionally has a small amount of oil leaking out.If the oil leakage causes pollution to the surrounding environment, please check regularly.Check to confirm or install the oil tray and other devices.
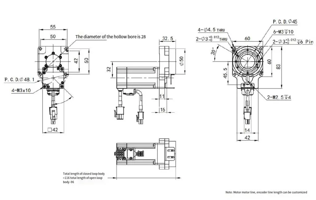
The motor can refer to the example diagram to provide the relevant size.


Address
Luotuo Industrial Area, Zhenhai District, Ningbo City, China
Tel
