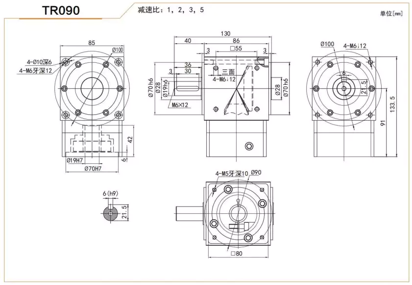
TR090 Series High Precision Planetary Gearbox Right Angle Reducer, also known as servo motor planetary gearbox and low backlash planetary gearbox, is a type of gearbox used in industrial automation systems for accurate speed control and position sensing. The TR090 Series gearbox is designed to provide high precision, low backlash, high efficiency, and long service life, making it an ideal choice for applications that require high positioning accuracy and repeatability.

High Precision Planetary Gearbox consists of the following parts:
The sun gear is located at the center of the planetary gearbox and is usually fixed to the input shaft or fixed in the housing as a stationary component.
The planet gears rotate around the sun gear and are supported and held in place relative to each other by the planet carrier. Each planet gear meshes with the sun gear and the ring gear when power is input, and they jointly bear and distribute the load.
The planet carrier is a structure with multiple planet gear shaft holes that supports the planet gears and allows them to rotate relative to the sun gear. The planet carrier can be used as an output component or connected to another shaft to transmit or receive torque.
The ring gear is a large diameter ring gear that is fixed inside the housing and has teeth on both the inside and outside surfaces, and meshes with the planet gears. In some applications, the ring gear can also be used as an input or output end.
The bearings in the high precision planetary gearbox are used to support the input shaft, output shaft, and planet carrier, ensuring stable rotation and smooth operation between the components.
The housing is the external frame of the entire gearbox, which protects the internal components from external environmental influences and provides installation interfaces. Seals ensure that the internal lubricating grease does not leak and prevent dust and moisture from entering the gearbox.

The working principle of High Precision Planetary Gearbox can be explained as follows:
When power is input to the sun gear, the planet gears rotate around the sun gear. Since each planet gear meshes with both the sun gear and the ring gear, they rotate around their own axis while revolving around the center of the sun gear with the planet carrier. This way, the torque input to the sun gear is amplified through the planet gears and evenly distributed to the planet carrier at the output end.
By adjusting the gear ratio of different components, speed conversion and torque amplification between input and output can be achieved. Generally, when the number of planet gears increases or the gear ratio increases, the effect of torque amplification is more significant, but the output speed also decreases.
In high precision applications, to ensure accurate positioning control and minimal mechanical clearance, high precision planetary gearboxes adopt preload technology to reduce or eliminate gear clearance, which is known as "zero/low backlash" design.
One of the important advantages of planetary gear mechanism is that it can evenly distribute the load among multiple planet gears, thereby improving the bearing capacity and stability of the entire system, and optimizing the dynamic response performance.

| Design and Selection Factors | Explanation |
|---|---|
| Input Speed and Torque | Determine the size and material of the gearbox components based on the input speed and torque. |
| Output Speed and Torque | Choose the appropriate gear ratio to achieve the desired output speed and torque. |
| Backlash | Select the appropriate gearbox with low or zero backlash based on the application requirements. |
| Accuracy and Repeatability | Select the gearbox with the required accuracy and repeatability based on the application requirements. |
| Noise and Vibration | Choose the gearbox that meets the noise and vibration requirements of the application. |
| Service Life and Reliability | Choose the gearbox with high quality and reliability to ensure long service life and minimize maintenance costs. |
TR090 Series High Precision Planetary Gearbox Right Angle Reducer can be used in the following applications:
TR090 Series gearbox is used with servo motors for precise speed control and position sensing in industrial automation equipment, such as robot joint drives, precision machine tool feed mechanisms, semiconductor manufacturing equipment, etc.
TR090 Series gearbox is used in high-end medical equipment such as CT scanners, MRI machines, surgical robots, etc., for precise motion control and torque amplification.
TR090 Series gearbox is used in aircraft landing gear retracting systems, flight control system actuators, satellite attitude adjustment devices and other high-reliability and high-precision applications.
TR090 Series gearbox is used in scientific experimental equipment, precision measuring instruments, optical tracking systems, and other scenarios that require extremely high transmission accuracy.
TR090 Series gearbox is used in power steering systems of new energy vehicles, drive units of electric vehicles, and transmission systems of high-performance racing cars, etc.
TR090 Series gearbox is used in joint drive parts of industrial robots, service robots, and special operation robots.
TR090 Series gearbox is used in automatic storage systems, such as lifting platforms, conveyor belt drives, AGVs (Automated Guided Vehicles), etc.

We are a professional manufacturer of power transmission equipment, specialized in research, production, and sales. Located in Ningbo, Zhejiang, we operate strictly in accordance with international quality management system standards ISO 9001:2015. Our products have passed China's mandatory CCC certification and the European Union's CE certification. Our products are produced according to international standards and have reached the advanced level of similar international products.
Address
Luotuo Industrial Area, Zhenhai District, Ningbo City, China
Tel
