

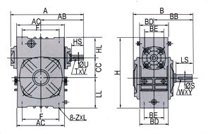
W | Shaft Direction ![]() |
| SIZE | RATIO | A | AB | AC | B | BB | BD | BE | CC | F | H | HL | LL | Z×L | INPUT SHAFT | OUTPUT SHAFT | KG | ||||
| HS | U | T×V | LS | S | W×Y | ||||||||||||||||
| 40 | 1/10 1/20 1/30 1/40 1/50 1/60 | 148 | 91 | 96 | 122 | 78 | 60 | 42 | 40 | 78 | 125 | 35 | 50 | M6×15 | 25 | 12 | 4×2.5 | 28 | 14 | 5×3 | 3.5 |
| 50 | 175 | 105 | 115 | 145 | 95 | 70 | 50 | 50 | 85 | 150 | 35 | 65 | M6×18 | 30 | 12 | 4×2.5 | 40 | 17 | 5×3 | 6.0 | |
| 60 | 195 | 120 | 126 | 165 | 110 | 80 | 55 | 60 | 105 | 177 | 42 | 75 | M8×20 | 40 | 15 | 5×3 | 50 | 22 | 7×4 | 8.5 | |
| 70 | 234 | 140 | 155 | 195 | 130 | 90 | 65 | 70 | 125 | 215 | 55 | 90 | M10×25 | 40 | 18 | 5×3 | 60 | 28 | 7×4 | 12.5 | |
| 80 | 264 | 160 | 174 | 210 | 140 | 100 | 70 | 80 | 140 | 250 | 65 | 105 | M12×28 | 50 | 22 | 7×4 | 65 | 32 | 10×4.5 | 20 | |
| 100 | 322 | 190 | 224 | 245 | 163 | 120 | 90 | 100 | 180 | 310 | 80 | 130 | M12×30 | 50 | 25 | 7×4 | 75 | 38 | 10×4.5 | 33 | |
| 120 | 385 | 230 | 264 | 285 | 185 | 140 | 100 | 120 | 220 | 370 | 95 | 155 | M14×32 | 65 | 30 | 7×4 | 85 | 45 | 12×4.5 | 50 | |
| 135 | 435 | 260 | 304 | 320 | 210 | 150 | 110 | 135 | 260 | 425 | 105 | 185 | M16×35 | 75 | 35 | 10×4.5 | 95 | 55 | 15×5 | 77 | |
| 155 | 494 | 302 | 330 | 387 | 252 | 170 | 120 | 155 | 280 | 461 | 103 | 203 | M16×35 | 85 | 40 | 10×4.5 | 110 | 60 | 15×5 | 100 | |
| 175 | 548 | 325 | 370 | 407 | 262 | 186 | 140 | 175 | 320 | 521 | 123 | 223 | M16×35 | 85 | 45 | 12×4.5 | 110 | 65 | 18×6 | 140 | |
| 200 | 688 | 350 | 420 | 480 | 305 | 200 | 150 | 200 | 360 | 575 | 130 | 245 | M18×35 | 95 | 50 | 12×4.5 | 125 | 70 | 20×7 | 200 | |
Address
Luotuo Industrial Area, Zhenhai District, Ningbo City, China
Tel
