

WDKO | Shaft Direction ![]() |
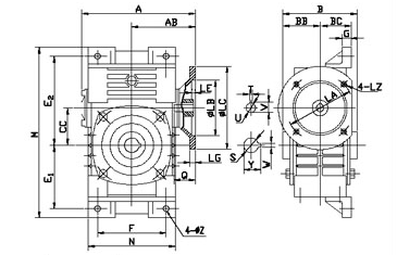
| SIZE | KW | RATIO | A | AB | B | BB | BC | CC | E1 | E2 | F | M | N | G | Z | FLANGE | INPUT HOLE | OUTPUT SHAFT | KG | ||||||||
| LA | LB | LC | LE | LG | LZ | Q | U | T×V | S | W×Y | |||||||||||||||||
| 40 | 0.12 | 1/101/201/301/401/501/60 | 138 | 76 | 90 | 45 | 45 | 40 | 72 | 97 | 70 | 195 | 96 | 10 | 9 | 115 | 95 | 140 | 5 | 10 | M8 | 25 | 11 | 4×12.8 | 20 | 6×22.8 | 5 |
| 50 | 0.18 | 155 | 84 | 107 | 53.5 | 50 | 50 | 90 | 110 | 90 | 225 | 115 | 14 | 11 | 115 | 95 | 140 | 5 | 10 | M8 | 25 | 11 | 4×12.8 | 20 | 6×22.8 | 8.5 | |
| 60 | 0.37 | 170 | 92 | 117 | 58.5 | 55 | 60 | 102 | 129 | 100 | 257 | 126 | 15 | 11 | 130 | 110 | 160 | 5 | 12 | M8 | 35 | 14 | 5×16.3 | 25 | 8×28.3 | 12 | |
| 70 | 0.37 | 206 | 110 | 131 | 65.5 | 65 | 70 | 120 | 155 | 120 | 305 | 155 | 20 | 15 | 130 | 110 | 160 | 5 | 12 | M8 | 35 | 14 | 5×16.3 | 30 | 8×33.3 | 18 | |
| 0.75 | 165 | 130 | 200 | 15 | M10 | 45 | 19 | 6×21.8 | |||||||||||||||||||
| 80 | 0.75 | 232 | 128 | 144 | 72.2 | 70 | 80 | 140 | 180 | 140 | 350 | 174 | 20 | 15 | 165 | 130 | 200 | 5 | 15 | M10 | 45 | 19 | 6×21.8 | 35 | 10×38.3 | 26 | |
| 1.5 | 55 | 24 | 8×27.3 | ||||||||||||||||||||||||
| 100 | 1.5 | 266 | 145 | 175 | 87.5 | 90 | 100 | 165 | 215 | 190 | 410 | 224 | 20 | 15 | 165 | 130 | 200 | 5 | 15 | M10 | 55 | 24 | 8×27.3 | 40 | 12×43.3 | 39 | |
| 120 | 2.2 | 340 | 182 | 200 | 100 | 100 | 120 | 195 | 255 | 220 | 495 | 264 | 25 | 18 | 215 | 180 | 250 | 5 | 18 | M12 | 65 | 28 | 8×31.3 | 45 | 14×48.8 | 61 | |
| 3.0 | |||||||||||||||||||||||||||
| 135 | 3.0 | 375 | 200 | 212 | 106 | 110 | 135 | 230 | 285 | 260 | 560 | 304 | 30 | 18 | 215 | 180 | 250 | 5 | 18 | M12 | 65 | 28 | 8×31.3 | 60 | 18×64.4 | 88 | |
| 4.0 | |||||||||||||||||||||||||||
| 155 | 5.5 | 442 | 236 | 312 | 156 | 140 | 155 | 250 | 305 | 280 | 605 | 330 | 35 | 20 | 265 | 230 | 300 | 5 | 20 | M12 | 85 | 38 | 10×41.3 | 70 | 20×74.9 | 124 | |
| 175 | 7.5 | 465 | 240 | 334 | 167 | 150 | 175 | 273 | 348 | 320 | 675 | 370 | 40 | 20 | 265 | 230 | 300 | 6 | 18 | M12 | 85 | 38 | 10×41.3 | 80 | 22×85.4 | 158 | |
Address
Luotuo Industrial Area, Zhenhai District, Ningbo City, China
Tel
