
WDKOY![]() | Shaft Direction![]() |
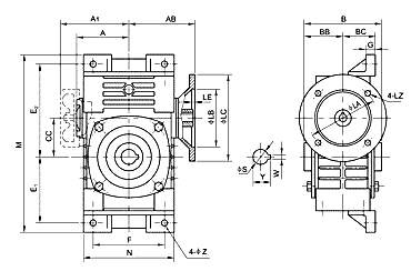
| SIZE | RATIO | A | A1 | AB | B | BB | BC | CC | E1 | E2 | F | M | N | G | Z | Output Shaft | NEMA Frame | ||
| s | w | y | |||||||||||||||||
| 40 | 5:1 10:1 15:1 20:1 30:1 40:1 50:1 60:1 | 2.58 | 3.92 | 4.02 | 2.01 | 1.85 | 1.575 | 2.95 | 3.78 | 3.15 | 7.68 | 4.09 | 0.39 | 0.39 | 0.625 | 3/16 | 0.71 | 56C | |
| 50 | 2.85 | 4.19 | 4.21 | 2.11 | 1.97 | 1.969 | 3.54 | 4.33 | 3.54 | 8.86 | 4.53 | 0.55 | 0.43 | 0.750 | 3/16 | 0.84 | 56C 140TC | ||
| 60 | 3.15 | 4.43 | 4.61 | 2.31 | 2.17 | 2.362 | 4.02 | 5.08 | 3.94 | 10.12 | 4.92 | 0.59 | 0.43 | 1.125 | 1/4 | 1.24 | 56C 140TC | ||
| 63 | 3.37 | 4.67 | 5.04 | 2.52 | 2.48 | 2.480 | 4.13 | 5.55 | 4.33 | 10.87 | 5.90 | 0.59 | 0.43 | 1.125 | 1/4 | 1.24 | 56C 140TC | ||
| 70 | 3.76 | 4.63 | 5.16 | 2.58 | 2.56 | 2.756 | 4.72 | 6.10 | 4.72 | 12.01 | 6.18 | 0.71 | 0.59 | 1.250 | 1/4 | 1.27 | 56C 140TC | ||
| 80 | 4.11 | 5.84 | 5.67 | 2.84 | 2.76 | 3.150 | 5.51 | 7.09 | 5.51 | 13.78 | 6.85 | 0.71 | 0.59 | 1.375 | 5/16 | 1.52 | 56C 140TC 180TC | ||
| 100 | 4.78 | 6.51 | 6.89 | 3.45 | 3.54 | 3.937 | 6.50 | 8.46 | 7.48 | 16.14 | 8.82 | 0.79 | 0.59 | 1.500 | 3/8 | 1.67 | 56C 140TC 180TC | ||
| 120 | 6.10 | 8.26 | 7.48 | 7.87 | 3.94 | 3.94 | 4.724 | 7.68 | 10.04 | 8.66 | 19.49 | 10.39 | 0.98 | 0.71 | 1.750 | 3/8 | 1.92 | 180TC 210TC | |
| 135 | 6.89 | 9.06 | 8.32 | 8.35 | 4.18 | 4.33 | 5.135 | 9.06 | 11.22 | 10.24 | 22.05 | 11.97 | 1.18 | 0.71 | 2.250 | 1/2 | 2.48 | 180TC 210TC | |
| 155 | 7.64 | 10.24 | 9.35 | 12.28 | 6.14 | 5.51 | 6.102 | 9.84 | 12.00 | 11.02 | 23.82 | 12.99 | 1.38 | 0.79 | 2.500 | 5/8 | 2.78 | 180TC 210TC | |
| 175 | 8.78 | 11.42 | 11.02 | 13.15 | 6.58 | 5.91 | 6.890 | 10.75 | 13.70 | 12.60 | 26.57 | 14.57 | 1.57 | 0.79 | 2.750 | 5/8 | 3.03 | 180TC 210TC 250TC | |
Address
Luotuo Industrial Area, Zhenhai District, Ningbo City, China
Tel
