
WDY | Shaft Direction![]() | Shaft Direction![]() | Shaft Direction![]() |
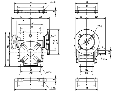
| SIZE | RATIO | A | A1 | AB | AC | B | BB | BD | BE | BF | CC | H | HL | LL | Z | L |
| 40 | 5:1 10:1 15:1 20:1 30:1 40:1 50:1 60:1 | 2.58 | 3.92 | 3.94 | 1.85 | 3.31 | 2.68 | 2.13 | 3.15 | 1.575 | 5.00 | 1.34 | 2.09 | 5/16-18 | 0.63 | |
| 50 | 2.85 | 4.19 | 4.48 | 2.08 | 3.82 | 2.72 | 1.97 | 3.54 | 1.969 | 5.91 | 1.38 | 2.56 | 5/16-18 | 0.63 | ||
| 60 | 3.15 | 4.43 | 5.00 | 2.20 | 4.33 | 2.99 | 2.13 | 3.94 | 2.362 | 6.97 | 1.56 | 2.95 | 3/8-16 | 0.75 | ||
| 63 | 3.37 | 4.67 | 5.51 | 2.36 | 4.45 | 3.46 | 2.69 | 4.87 | 2.480 | 7.32 | 1.89 | 2.95 | 3/8-16 | 0.75 | ||
| 70 | 3.76 | 4.63 | 6.10 | 2.52 | 5.12 | 3.31 | 2.56 | 4.92 | 2.756 | 8.46 | 2.16 | 3.54 | 3/8-16 | 0.75 | ||
| 80 | 4.11 | 5.84 | 6.69 | 2.85 | 5.51 | 3.94 | 2.76 | 5.51 | 3.150 | 9.84 | 2.56 | 4.13 | 3/8-16 | 0.75 | ||
| 100 | 4.78 | 6.51 | 8.03 | 3.33 | 6.42 | 4.49 | 3.54 | 7.09 | 3.937 | 12.20 | 3.15 | 5.12 | 1/2-13 | 0.94 | ||
| 120 | 6.10 | 8.26 | 7.48 | 10.24 | 3.94 | 7.28 | 5.04 | 3.94 | 8.66 | 4.724 | 14.57 | 3.74 | 6.10 | 1/2-13 | 0.94 | |
| 135 | 6.89 | 9.06 | 8.32 | 11.65 | 4.33 | 8.27 | 5.91 | 4.33 | 10.24 | 5.315 | 16.73 | 4.13 | 7.28 | 5/8-11 | 1.13 | |
| 155 | 7.64 | 10.24 | 9.35 | 12.99 | 5.20 | 9.92 | 6.69 | 4.72 | 11.02 | 6.102 | 18.15 | 4.05 | 7.99 | 5/8-11 | 1.13 | |
| 175 | 8.78 | 11.42 | 11.02 | 14.57 | 5.71 | 10.31 | 7.32 | 5.51 | 12.60 | 6.890 | 20.51 | 4.84 | 8.78 | 3/4-10 | 1.38 |
| SIZE | Output Shaft | With Horizontal Base | NEMA Frame | |||||||
| S | LS | W×Y | E | F | M | N | G | X | ||
| 40 | 0.625 | 1.38 | 3/16×3/32 | 3.54 | 3.94 | 4.33 | 4.92 | 0.51 | 0.39 | 56C |
| 50 | 0.750 | 1.57 | 3/16×3/32 | 3.74 | 4.33 | 4.72 | 5.51 | 0.59 | 0.43 | 56C、 140TC |
| 60 | 1.000 | 1.97 | 1/4×1/8 | 4.13 | 4.72 | 5.12 | 5.91 | 0.71 | 0.43 | 56C、 140TC |
| 63 | 1.000 | 1.97 | 1/4×1/8 | 4.33 | 5.91 | 5.51 | 7.09 | 0.71 | 0.43 | 56C、 140TC |
| 70 | 1.125 | 2.36 | 1/4×1/8 | 4.53 | 5.91 | 5.91 | 7.48 | 0.71 | 0.59 | 56C、 140TC |
| 80 | 1.375 | 2.56 | 5/16×5/32 | 5.31 | 7.09 | 6.69 | 8.66 | 0.71 | 0.59 | 56C、 140TC 180TC |
| 100 | 1.500 | 2.95 | 3/8×3/16 | 6.10 | 8.66 | 7.48 | 10.63 | 0.79 | 0.59 | 56C、 140TC 180TC |
| 120 | 1.750 | 3.35 | 3/8×3/16 | 7.09 | 10.24 | 9.06 | 12.60 | 0.98 | 0.71 | 180TC、 210TC |
| 135 | 2.250 | 3.74 | 1/2×1/4 | 7.87 | 11.42 | 9.84 | 13.78 | 1.18 | 0.71 | 180TC、 210TC |
| 155 | 2.500 | 4.33 | 5/8×5/16 | 8.66 | 12.60 | 11.02 | 14.96 | 1.26 | 0.97 | 180TC、 210TC |
| 175 | 2.750 | 4.33 | 5/8×5/16 | 9.84 | 13.78 | 12.20 | 16.14 | 1.46 | 0.79 | 180TC、 210TC 250TC |
Address
Luotuo Industrial Area, Zhenhai District, Ningbo City, China
Tel
