

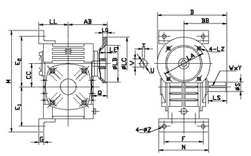
WDZ | Shaft Direction ![]() |
| SIZE | KW | RATIO | AB | LL | B | BB | CC | E1 | E2 | F | M | N | G | Z | FLANGE | INPUT HOLE | OUTPUT SHAFT | KG | |||||||||
| LA | LB | LC | LE | LG | LZ | Q | U | T×V | LS | S | W×Y | ||||||||||||||||
| 50 | 0.18 | 1/101/201/301/401/501/60 | 84 | 72 | 165 | 95 | 50 | 90 | 110 | 95 | 225 | 120 | 14 | 11 | 115 | 95 | 140 | 5 | 10 | M8 | 25 | 11 | 4×12.8 | 40 | 17 | 5×3 | 8.5 |
| 60 | 0.37 | 92 | 80 | 190 | 110 | 60 | 102 | 129 | 105 | 257 | 130 | 15 | 11 | 130 | 110 | 160 | 5 | 12 | M8 | 35 | 14 | 5×16.3 | 50 | 22 | 7×4 | 11 | |
| 70 | 0.37 | 110 | 95 | 210 | 130 | 70 | 120 | 155 | 115 | 305 | 150 | 20 | 15 | 130 | 110 | 160 | 5 | 12 | M8 | 35 | 14 | 5×16.3 | 60 | 28 | 7×4 | 17 | |
| 0.75 | 230 | 165 | 130 | 200 | 15 | M10 | 45 | 19 | 6×21.8 | ||||||||||||||||||
| 80 | 0.75 | 128 | 105 | 240 | 140 | 80 | 140 | 180 | 135 | 350 | 170 | 20 | 15 | 165 | 130 | 200 | 5 | 15 | M10 | 45 | 19 | 6×21.8 | 65 | 32 | 10×4×5 | 26 | |
| 1.5 | 55 | 24 | 8×27.3 | ||||||||||||||||||||||||
| 100 | 1.5 | 145 | 135 | 263 | 163 | 100 | 165 | 215 | 155 | 410 | 190 | 20 | 15 | 165 | 130 | 200 | 5 | 15 | M10 | 55 | 24 | 8×27.3 | 75 | 38 | 10×4.5 | 39 | |
| 120 | 2.2 | 182 | 160 | 310 | 185 | 120 | 195 | 225 | 180 | 495 | 230 | 25 | 18 | 215 | 180 | 250 | 5 | 18 | M12 | 65 | 28 | 8×31.3 | 85 | 45 | 12×4.5 | 60 | |
| 3.0 | |||||||||||||||||||||||||||
| 135 | 3.0 | 200 | 185 | 335 | 210 | 135 | 230 | 285 | 200 | 560 | 250 | 30 | 18 | 215 | 180 | 250 | 5 | 18 | M12 | 65 | 28 | 8×31.3 | 95 | 55 | 15×5 | 88 | |
| 4.0 | |||||||||||||||||||||||||||
| 155 | 5.5 | 236 | 220 | 402 | 252 | 155 | 250 | 305 | 220 | 605 | 280 | 35 | 20 | 265 | 230 | 300 | 5 | 20 | M12 | 85 | 38 | 10×41.3 | 110 | 60 | 15×5 | 120 | |
| 175 | 7.5 | 240 | 240 | 412 | 262 | 175 | 273 | 348 | 250 | 675 | 310 | 40 | 20 | 265 | 230 | 300 | 6 | 18 | M12 | 85 | 38 | 10×41.3 | 110 | 65 | 18×6 | 158 | |
Address
Luotuo Industrial Area, Zhenhai District, Ningbo City, China
Tel
