
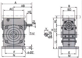
WKA | Shaft Direction![]() |
| SIZE | RATIO | A | AB | AC | B | BD | CC | E | F | H | HL | LL | M | N | G | Z | INPUT SHAFT | OUTPUT SHAFT | KG | ||||
| HS | U | T×V | S | W | Y | ||||||||||||||||||
| 50 | 1/10 1/20 1/30 1/40 1/50 1/60 | 175 | 105 | 115 | 107 | 70 | 50 | 95 | 110 | 165 | 50 | 80 | 120 | 140 | 15 | 11 | 30 | 12 | 4×2.5 | 20 | 6 | 22.8 | 7 |
| 60 | 195 | 120 | 126 | 117 | 80 | 60 | 105 | 120 | 195 | 60 | 93 | 130 | 150 | 18 | 11 | 40 | 15 | 5×3 | 25 | 8 | 28.3 | 11 | |
| 70 | 234 | 140 | 155 | 131 | 90 | 70 | 115 | 150 | 233 | 73 | 108 | 150 | 190 | 18 | 15 | 40 | 18 | 5×3 | 30 | 8 | 33.3 | 14 | |
| 80 | 264 | 160 | 174 | 144 | 100 | 80 | 135 | 180 | 268 | 83 | 123 | 170 | 220 | 18 | 15 | 50 | 22 | 7×4 | 35 | 10 | 38.3 | 22 | |
| 100 | 322 | 190 | 224 | 175 | 120 | 100 | 155 | 220 | 330 | 100 | 150 | 190 | 270 | 20 | 15 | 50 | 25 | 7×4 | 40 | 12 | 43.3 | 36 | |
| 120 | 385 | 230 | 264 | 200 | 140 | 120 | 180 | 260 | 395 | 120 | 180 | 230 | 320 | 25 | 18 | 65 | 30 | 7×4 | 45 | 14 | 48.8 | 63 | |
| 135 | 435 | 260 | 304 | 212 | 150 | 135 | 200 | 290 | 455 | 135 | 215 | 250 | 350 | 30 | 18 | 75 | 35 | 10×4.5 | 60 | 18 | 64.4 | 80 | |
| 155 | 494 | 302 | 330 | 312 | 160 | 155 | 220 | 320 | 495 | 135 | 235 | 280 | 380 | 32 | 20 | 85 | 40 | 10×4.5 | 70 | 20 | 74.9 | 114 | |
| 175 | 548 | 325 | 370 | 334 | 186 | 175 | 250 | 350 | 558 | 160 | 260 | 310 | 410 | 37 | 20 | 85 | 45 | 12×4.5 | 80 | 22 | 85.4 | 150 | |
| 200 | 688 | 350 | 420 | 346 | 200 | 200 | 290 | 350 | 620 | 175 | 290 | 360 | 435 | 45 | 22 | 95 | 50 | 12×4.5 | 85 | 22 | 90.4 | 218 | |
Address
Luotuo Industrial Area, Zhenhai District, Ningbo City, China
Tel
