This product is a worm gear reducer which is a replacement of PREMIUM Modular MU Mark I 700 Worm Gearbox. The product is widely used and has a high rated power of up to 350 kW, reduction ratio ranging from 5:1 to 3000:1, and a size of up to 203.2 millimeters (8 inches). It is highly resistant to wear and tear, has high strength and is easy to install and maintain. The lubrication process is simple and only requires filling oil up to the desired level. The product is highly durable and efficient with high carrying capacity.
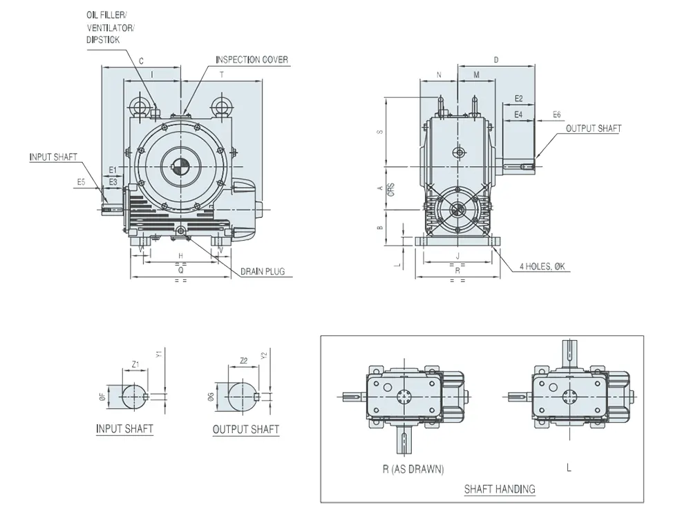
The worm gear is connected to the input shaft and interacts with the worm wheel to achieve the desired reduction ratio. The bearing provides support to the shafts and the housing. The oil seal prevents lubrication oil from leaking out of the reducer. The input shaft receives power from the motor, and the output shaft transmits power to the driven machine or equipment. The housing serves as a cover and protection for the internal parts of the gear reducer.
The following factors should be considered when selecting the appropriate worm gear reducer:
Our company offers a replacement of PREMIUM Modular MU Mark I 700 Worm Gearbox, which is of good quality and at an affordable price. Our products are all replacement parts, not original factory parts. If you need to purchase original factory parts, please contact the original supplier. The advantages of our replacement product are as follows:
Our company also provides other types of electric motors for the worm gear reducer and offers customized products based on customers' requirements.
Worm gear reducers and electric motors are complementary to each other. The worm gear reducer converts the high-speed rotation of the motor into a low-speed and high-torque rotation for the driven machine. The electric motor provides power to the worm gear reducer. Our company also provides various types of electric motors for worm gear reducers, and our products have a high degree of compatibility with worm gear reducers. Our electric motors are of high quality and are also at an affordable price. Customers can purchase our products with confidence.
Our company, Raydafon, is a comprehensive transmission equipment manufacturer with more than 20 years of experience in the design, production, manufacture, and sales of gearboxes. We serve customers in Europe, America, Africa, Asia, etc., and have won the praise of the market. Our company has advanced production equipment and testing equipment at home and abroad, employing industry professionals and technicians to carry out innovative research and development and manufacturing. We use standardized production management methods to strictly control every aspect of the production of reducers, over the years, we have provided customers with high-quality and high-energy-efficient products. Our gearboxes are widely used in various industries, and we offer the best service, highest product quality, and very competitive prices. We encourage customers to explore our products and contact us for purchase.
The rated power of the worm gear reducer is up to 350 kW.
The following factors should be considered when selecting the appropriate worm gear reducer: type of the driving motor, horsepower of the driving motor, output torque required by the driven machine, input speed of the gear device, output speed of the gear device, required drive configuration and shaft arrangement, total hours of operation per day, details of any exceptional starting loads, details of any reverse or impact loading, details of any external loads on the gear device, and details of any abnormal operating conditions, such as ambient temperature and humidity.
No, our company only offers replacement parts for the worm gear reducer. If you need to purchase original factory parts, please contact the original supplier.
Address
Luotuo Industrial Area, Zhenhai District, Ningbo City, China
Tel
