Raydafon Technology Group Co.,Limited
Raydafon Technology Group Co.,Limited
Products
Products
WPDS Series Worm Gearboxes
  • WPDS Series Worm GearboxesWPDS Series Worm Gearboxes

WPDS Series Worm Gearboxes

Discover Raydafon Guoup's WPDS Series Worm Gearboxes, engineered for industrial precision and durability. These gearboxes excel in torque transmission with robust construction, ideal for automation, conveyor systems, and HVAC applications. Key advantages include energy-efficient worm gear design, quiet operation, and easy maintenance, solving reliability issues for engineers and manufacturers. Their compact size and high load capacity set them apart, enhancing productivity and reducing downtime. Experience seamless performance and lasting value, empowering your projects with confidence.
The worm gearbox assembly from worm wheel, worm gear, housing, oil seal, bearings, etc.WPDS series iron case worm gearbox and gear motor wide used in different industries like food machines, conveyor equipment, industrial machine, foodstuff, ceramics, chemicals, packing, dyeing, woodworking, glass, etc.
WPDS Series Worm GearboxesWPDS Series Worm Gearboxes

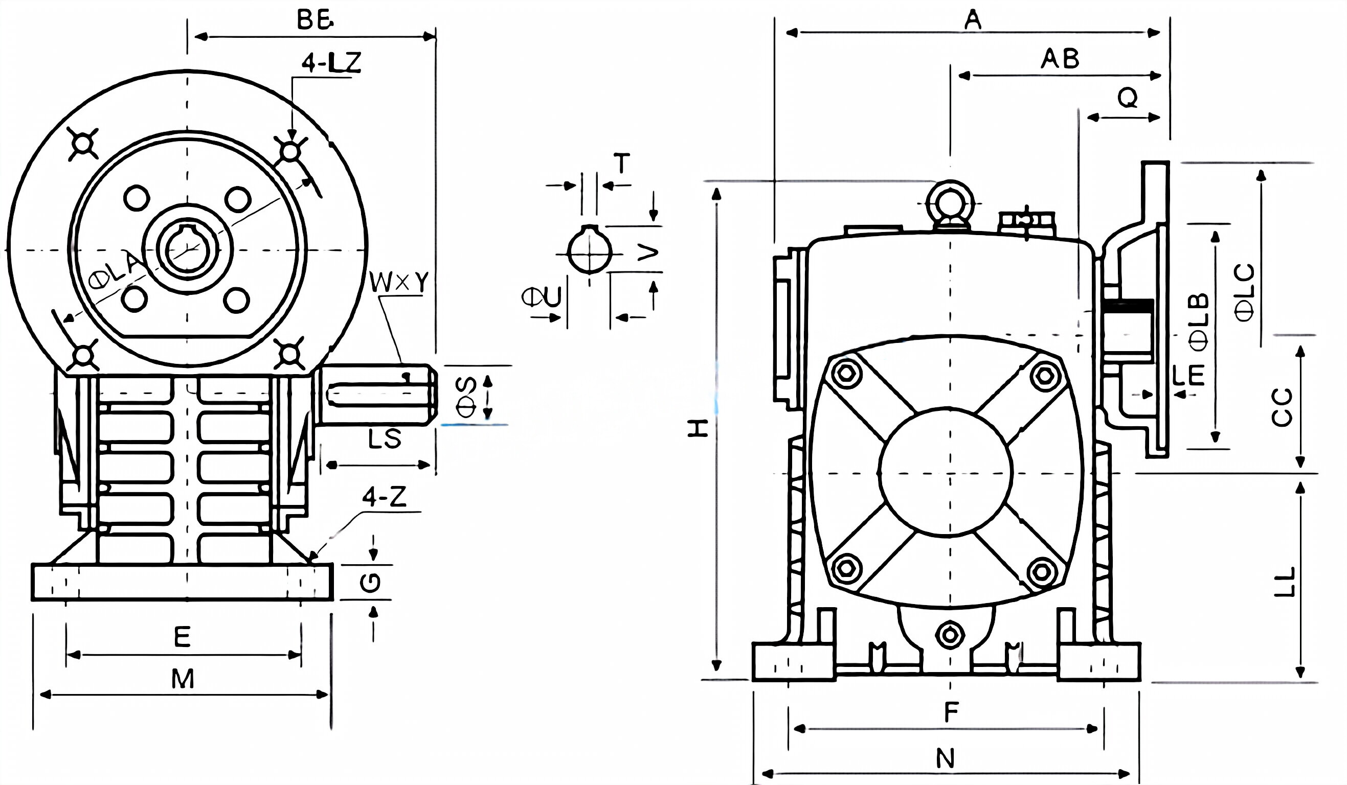
Product Specifications

WPDS Series Worm Gearboxes

High-Quality Output Shaft

New standard axle, multi-precision machining, through rigorous dynamic and static balance test, to ensure low noise and smooth operation of reducer.

Precision Worm Gear

20CrMn Ti material – low carbon alloy steelImported gear grinding machine processing, high hardness, stable performance.Vacuum furnace carburizing heat treatment, carburizing layer uniform.

High-Quality Shell Material

The box body is made of HT200 material and cleaned by professional screening and washing equipment to ensure that the inner cavity of the box body is cleaner without iron filings.
WPDS Series Worm GearboxesWPDS Series Worm Gearboxes

Application area:

WPDS series iron case worm gearbox and gear motor wide used in different industries like food machines, conveyor equipment, industrial machine, foodstuff, Ceramics, chemicals, packing, dyeing, woodworking, glass, etc.
WPDS Series Worm GearboxesWPDS Series Worm GearboxesWPDS Series Worm Gearboxes

Packing and Transportation

●Packaging: To ensure the integrity of product appearance, we will choose cartons, wooden pallets, and wooden pallets according to customer needs.●Delivery time: Each reducer is manufactured and tested by strict and fixed procedures to ensure that the quality is correct before leaving the factory and delivery on time.●Transportation mode: We will choose the most suitable mode of transportation for our customers according to the weight and size of the goods. We can also choose the mode of transportation according to the needs of our customers.●Receiving and after-sales service: After receiving the goods, please check whether they are in good condition. We will provide customers with perfect after-sales service.WPDS Series Worm Gearboxes

Company Profile

We handle power transmission products; our lines mainly cover series products in speed reducers, gearboxes, associated electrical motors, and other power transmission accessories. Based on their versatile functions, our products can be utilized in many fields: wastewater treatment machines, dredgers, the chemical industry, cranes, metalworking mills, conveyors, the paper industry, the cement industry, cableways, and so on. With excellent quality and reasonable prices, our products enjoy a good reputation from customers and peers worldwide.Furthermore, the R&D investment is increasing annually to meet our customers' new demands better and adapt to the recent tendency of the industry. Depending on the principles of honestly operating and mutual benefit, We sincerely look forward to cooperating with you.
Hot Tags: Worm Gearboxes, Industrial Gearboxes Manufacturer, Custom Worm Gearboxes
Send Inquiry
Contact Info
Get customized quotes for transmission components, gearboxes, and machinery. Our engineers will respond within 24 hours.
Online
X
We use cookies to offer you a better browsing experience, analyze site traffic and personalize content. By using this site, you agree to our use of cookies. Privacy Policy
Reject Accept