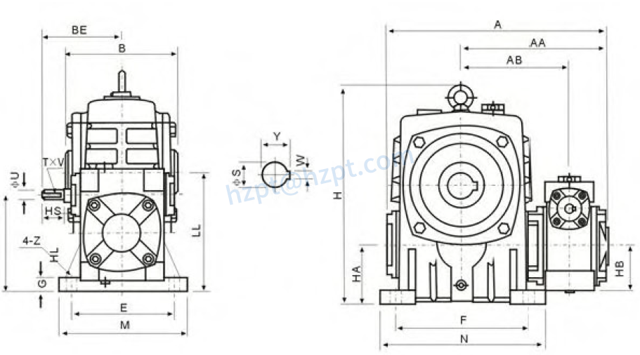
WPEKA Series Double Stage Worm Gearboxes
Worm gearboxes and worm gear reducers are called worm gear speed reducers and worm drive gearboxes, mainly by worm gear or gear, shaft, bearing, chassis, etc. Worm gearbox is widely used because of their durability, large transmission ratio, small volume, strong self-locking ability, simple structure, easy manufacturing, and other advantages, but the transmission efficiency is relatively low. The chassis supports the worm gear or gears, rod, and bearings. Therefore, the shell of the worm reducer must have enough hardness to avoid deformation after loading, resulting in a decline in transmission quality.![]() | ![]() |
| Type | Self-locking gearbox |
| Model | WPEKA |
| Ratio | 1:200,300,400,500,600,800,900 |
| Color | Blue/Green Or On Customer Request |
| Material | |
| Housing | Die-Cast Iron castWorm Gear-Copper-10-3#Worm-20CrMn Ti with carburizing and quenching, the surface hardness is 56-62HRC.Shaft-chromium steel-45# |
| Packing | Carton and Wooden Case |
| Warranty | 1 Year |
| Usages | |
| Industrial Machine | Food Stuff, Ceramics, Chemicals, Packing, Dyeing, Woodworking, Glass. |
| IEC Flange | 56B14, 63B14, 63B5, 63B5, 71B14,80B14 AND SO ON |
| Lubricant | Synthetic&Mineral |


Packing and Transportation
Address
Luotuo Industrial Area, Zhenhai District, Ningbo City, China
Tel
