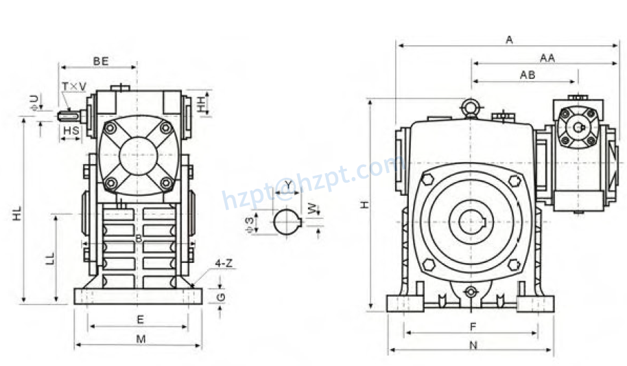
WPEKS Series Double Stage Worm Gearboxes
A worm gearbox uses a gear governor, the motor speed down to the required number of revolutions, to obtain an effective torque power transmission mechanism. The reducer has many applications in the tool used to transfer power and motion. We can produce high-quality cast iron worm reducers with a good-looking appearance, efficient radiator, and high carrying ability. It is installed on multiple surfaces, has a hollow output shaft, and all input and output types can conjoin other transmission machinery efficiently.![]() | ![]() |
| Type | WPEKS hollow shaft worm gearbox |
| Size | 40/70--155/250 |
| Ratio | 200. 300. 400. 500. 600. 800. 900 |
| Mounting Position | Foot-mounted, flange mounted |
| Output Form | Solid shaft, hollow shaft |
| Material of Housing | Casting Iron |
| Material of Shaft | chromium steel |
| Oil seal | KSK |
| Bearing | C&U |

![]() | ![]() |


Address
Luotuo Industrial Area, Zhenhai District, Ningbo City, China
Tel
