Raydafon Technology Group Co.,Limited
Raydafon Technology Group Co.,Limited
Products
Products
10B2 -SS Stainless Steel Gripper Chain for Pharmaceuticals Application
  • 10B2 -SS Stainless Steel Gripper Chain for Pharmaceuticals Application10B2 -SS Stainless Steel Gripper Chain for Pharmaceuticals Application

10B2 -SS Stainless Steel Gripper Chain for Pharmaceuticals Application

Raydafon Group presents the 10B2-SS Stainless Steel Gripper Chain, engineered for pharmaceutical applications. This durable chain ensures smooth, contamination-free transportation in sensitive environments, offering superior corrosion resistance and precision design. Ideal for pharmaceutical manufacturers, it enhances efficiency and reliability, reducing downtime. Experience peace of mind with a product that stands out for its high-quality stainless steel and tailored functionality. Trust Raydafon Group for unmatched performance in your operations.
The 10B2 -SS Stainless Steel Gripper Chain is a specialized tool designed for industries that require secure and smooth handling of materials, particularly in the pharmaceutical sector. This particular type of gripper chain is highly valued for its robust performance, reliability, and exceptional gripping ability, making it an indispensable component in various applications.10B2 -SS Stainless Steel Gripper Chain for Pharmaceuticals Application
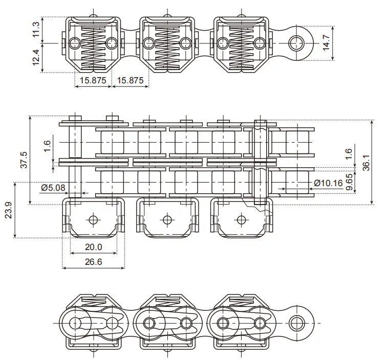
Gripper Chain Code10B2 -SS
Chain PitchP(mm)15.875
Chain MaterialStainless Steel
TypeM
Spring LoadN70
Breaking LoadKN40
 

Unique Features of the 10B2 -SS Stainless Steel Gripper Chain

Our 10B2 -SS Stainless Steel Gripper Chain from Raydafon offers unique features that set it apart:
  1. Reliable Clamping Mechanism Design: Our gripper chain boasts a highly reliable clamping mechanism design that has been refined over several years of research and practice. This design brings superior performance to the chain, ensuring that materials are securely gripped and smoothly transported.
  2. Unique Spring Design: The spring design of our gripper chain is unique. Made from high-quality imported material, it has passed very strict pressure tests. This guarantees that the clamping performance is excellent and long-lasting.
10B2 -SS Stainless Steel Gripper Chain for Pharmaceuticals Application

Applications of the 10B2 -SS Stainless Steel Gripper Chain

The 10B2 -SS Stainless Steel Gripper Chain is versatile and can be used in a variety of applications:
  1. Food: It can handle items such as ham, sausage, cheese, and bread safely and securely.
  2. Electric: The gripper chain can be used for handling wires in electrical applications.
  3. Medical: It is particularly useful in the pharmaceutical sector, where it can handle items like injection syringes and other pharmaceutical products.
Our gripper chains are available in both stainless steel and nickel-plated carbon steel, offering options to meet different usage requirements.10B2 -SS Stainless Steel Gripper Chain for Pharmaceuticals Application

Why grip chain is Fit for Pharmaceuticals Application

Our 10B2 -SS Stainless Steel Gripper Chain is uniquely suited for pharmaceutical applications for several reasons:
  • Secure Handling: Its reliable clamping mechanism ensures that items are securely gripped and smoothly transported, reducing the risk of damage or loss.
  • High Performance: It offers superior performance, ensuring that items are securely gripped and smoothly transported, which is critical in the pharmaceutical industry.
  • Corrosion Resistance: The stainless steel material makes the gripper chain resistant to corrosion, which is important in environments where the chain may be exposed to moisture or chemicals.
10B2 -SS Stainless Steel Gripper Chain for Pharmaceuticals Application

Gripper Chain Sprockets for Gripper Chains

Gripper chain sprockets are typically made from steel or aluminum, and they have a series of teeth that engage with the links of the gripper chain. The number of teeth on the sprocket determines the speed of the gripper chain, and the size of the teeth determines the amount of force that the sprocket can apply to the chain. Gripper chains are typically made from stainless steel or nickel-plated steel. The material of the gripper chain must be able to withstand the forces of the conveyor belt and the material being conveyed. The gripper chain also needs to be corrosion resistant, as it may be exposed to moisture or chemicals in some applications. Raydafon also offers high-quality gripper chain stainless steel sprockets for sale.10B2 -SS Stainless Steel Gripper Chain for Pharmaceuticals Application

About Raydafon

Established as a professional stainless steel chain manufacturer, Raydafon stands out for its commitment to excellence across the industry. Our extensive product line encompasses a diverse range of chains, meticulously crafted to meet the unique demands of various sectors. What sets us apart is our unwavering dedication to quality, ensuring that each chain meets rigorous standards, guaranteeing durability and performance. Beyond our exceptional products, Raydafon takes pride in offering competitive pricing, making high-quality stainless steel chains accessible to a wide spectrum of businesses. We understand the importance of affordability without compromising on quality, positioning ourselves as a reliable and cost-effective solution for our clients. Complementing our superior products and competitive pricing is our unparalleled customer service. At Raydafon, we prioritize building lasting relationships with our clients by providing responsive and personalized support. Our team is committed to addressing inquiries promptly, offering technical assistance, and ensuring a seamless experience for our valued customers. Choose Raydafon for a holistic approach to chain solutions ?C where quality, affordability, and outstanding service converge to elevate your business operations.We encourage you to explore the 10B2 -SS Stainless Steel Gripper Chain for your pharmaceutical applications and contact us to purchase this exceptional product.10B2 -SS Stainless Steel Gripper Chain for Pharmaceuticals Application
Hot Tags: Stainless Steel Gripper Chain, Pharmaceutical Conveyor Chain, 10B2 SS Gripper Chain
Send Inquiry
Contact Info
Get customized quotes for transmission components, gearboxes, and machinery. Our engineers will respond within 24 hours.
Online
X
We use cookies to offer you a better browsing experience, analyze site traffic and personalize content. By using this site, you agree to our use of cookies. Privacy Policy
Reject Accept