

[ninja_tables id="383290"]
24B-U1F5SS Stainless Steel Conveyor Chain with U Profile Attachments is a high-quality product designed to enhance the efficiency of conveyor systems. This type of chain plays a vital role in various industries, including food processing, beverage production, pharmaceutical manufacturing, and chemical processing. Its use is integral in the successful transportation of products from one point to another within industrial environments.
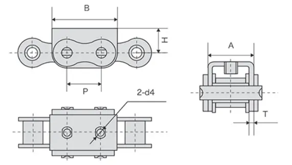
The 24B-U1F5SS Stainless Steel Conveyor Chain with U Profile Attachments is composed of several key components:

The 24B-U1F5SS Stainless Steel Conveyor Chain with U Profile Attachments is typically made from 304 or 316 stainless steel, each with its unique properties:

The 24B-U1F5SS Stainless Steel Conveyor Chain is widely used in various industries:

To prolong the service life and ensure the optimal performance of the 24B-U1F5SS Stainless Steel Conveyor Chain, regular maintenance and care are essential:

Stainless Steel Sprockets for Chains serve as the backbone of a robust and durable chain system. The seamless interaction between these sprockets and chains is crucial for smooth and efficient mechanical operations. The corrosion-resistant nature of stainless steel ensures longevity, making it ideal for various applications. The precise engagement of teeth on the sprockets with the links of the chain guarantees reliable power transmission. This symbiotic relationship enhances the overall performance, reducing wear and tear while maintaining a high level of efficiency. In industries where reliability is paramount, the combination of stainless steel sprockets and chains becomes indispensable for seamless functionality. In addition to stainless steel chains, we also offer high-quality stainless steel sprockets for sale.

Established as a professional chain manufacturer, Raydafon specializes in producing standard chains and all kinds of special requirement shaped chains. Our stainless steel roller chains are manufactured in accordance with strict ANSI/DIN/ISO standards. We offer a wide range of stainless steel materials according to customers' requirements. Our products are exported to Europe, Japan, the United States, Canada, Southeast Asia, and other countries and regions. We invite you to explore our products and contact us for your purchase needs.

Address
Luotuo Industrial Area, Zhenhai District, Ningbo City, China
Tel
