

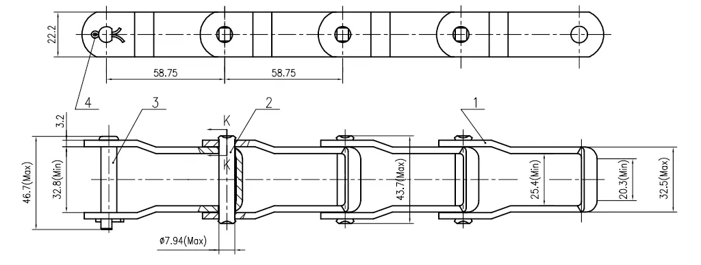
No. | Number | Part name | Material | Weight |
1 | 667H-00-01 | Chain links | 40Mn | 92.9g |
2 | 667H-00-02 | Pins | 40Cr | 16.9g |
3 | 667H-00-07 | Connecting pins | 40Cr | 17.37g |
4 | GB/T 912.5X16 | Cotter Pins | ||
5 | 667H-00-01 | Chain Link | 40Mn | 92.9g |
6 | 667H-00-02 | Pins | 20CrMnMo | 16.9g |
7 | 667H-00-07 | Connecting pins | 20CrMnMo | 17.9g |
8 | GB/T 912.5x16 | Cotter pins |

![]() | ![]() |


Address
Luotuo Industrial Area, Zhenhai District, Ningbo City, China
Tel
