700 Class Pintle Chain Attachment
The 700 Class Pintle Chain Attachment is a one-piece cast offset link construction, with steel-clipped head pins connecting the links. The links feature generous head stops, which provide maximum locking force under load while limiting wear to the pin inside the barrel of the link. This design is ideal for use with heavy-duty pintles and pintle chains.The chain's long pitch makes it ideal for water treatment facilities, sewage plants, and conveying applications. The closed-bearing construction prevents dirt from clogging the pin holes. The chain also features a long, smooth operation. The long-pitch 700 Class Pintle Chain Attachment provides maximum strength while weighing less than two tons.

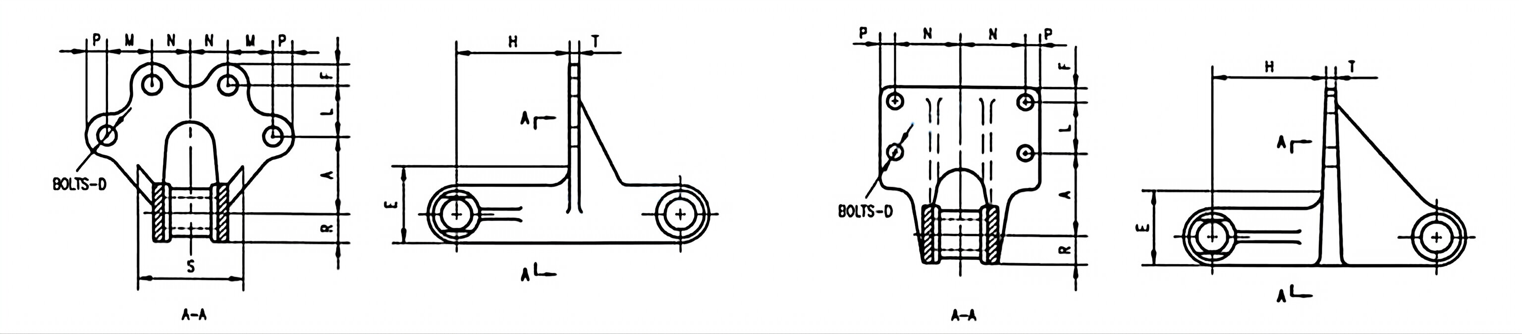
| Chain NO. | Weight Per Foot Pounds | Dimensions in Decimal Inches | |||||||||||
| A | D | E | F | H | L | M | N | P | R | S | T | ||
| 720-F2 | 6.6 | 2 | 1/2 | 11/2 | 9/16 | 3 | 15/16 | 15/32 | 31/32 | 17/32 | 3/4 | 23/4 | 1/4 |
| 720S-F2 | 7.9 | 2 | 3/8 | 15/8 | 9/16 | 3 | 15/16 | 15/32 | 31/32 | 9/16 | 25/32 | - | 1/4 |
| 720SC-F2 | 8.4 | 2 | 3/8 | 19/16 | 9/16 | 3 | 15/16 | 15/32 | 31/32 | 9/16 | 25/32 | - | 1/4 |
| 730-F2 | 7.7 | 2 | 3/8 | 13/4 | 17/32 | 3 | 15/16 | 15/32 | 31/32 | 17/32 | 7/8 | 25/8 | 3/8 |
| 730SC-F2 | 9.4 | 2 | 3/8 | 13/4 | 17/32 | 3 | 15/16 | 15/32 | 31/32 | 17/32 | 7/8 | - | 3/8 |
| 730-F3 | 13.4 | 25/8 | 1/2 | 13/4 | 7/8 | 3 | 21/2 | - | 17/8 | 11/16 | 7/8 | - | 9/32 |
| 730SC-F3 | 13.4 | 25/8 | 1/2 | 13/4 | 7/8 | 3 | 21/2 | - | 17/8 | 11/16 | 7/8 | - | 9/32 |
| 720S-F226 | 11.4 | 23/8 | 3/8 | 15/8 | 1 | 3 | 25/8 | - | 17/8 | 11/16 | 25/32 | - | 5/16 |
| 720SC-F226 | 10.2 | 23/8 | 3/8 | 19/16 | 7/8 | 3 | 25/8 | - | 17/8 | 5/8 | 25/32 | - | 1/4 |
| 730-F226730SC-F226 | 13.012.9 | 23/823/8 | 3/83/8 | 13/413/4 | 11 | 33 | 25/825/8 | -- | 17/817/8 | 11/163/4 | 7/825/32 | -- | 9/329/32 |
| 720S-F228 | 13.5 | 23/8 | 3/8 | 19/16 | 7/8 | 3 | 41/2 | - | 17/8 | 7/8 | 25/32 | - | 1/4 |
| 720SC-F228 | 11.9 | 23/8 | 3/8 | 19/16 | 7/8 | 3 | 41/2 | - | 17/8 | 7/8 | 25/32 | - | 1/4 |
| 730-F228 | 15.5 | 23/8 | 3/8 | 13/4 | 11/8 | 3 | 41/2 | - | 17/8 | 11/16 | 7/8 | - | 9/32 |
| 730SC-F228 | 14.6 | 23/8 | 3/8 | 13/4 | 7/8 | 3 | 41/2 | - | 17/8 | 7/8 | 7/8 | - | 9/32 |

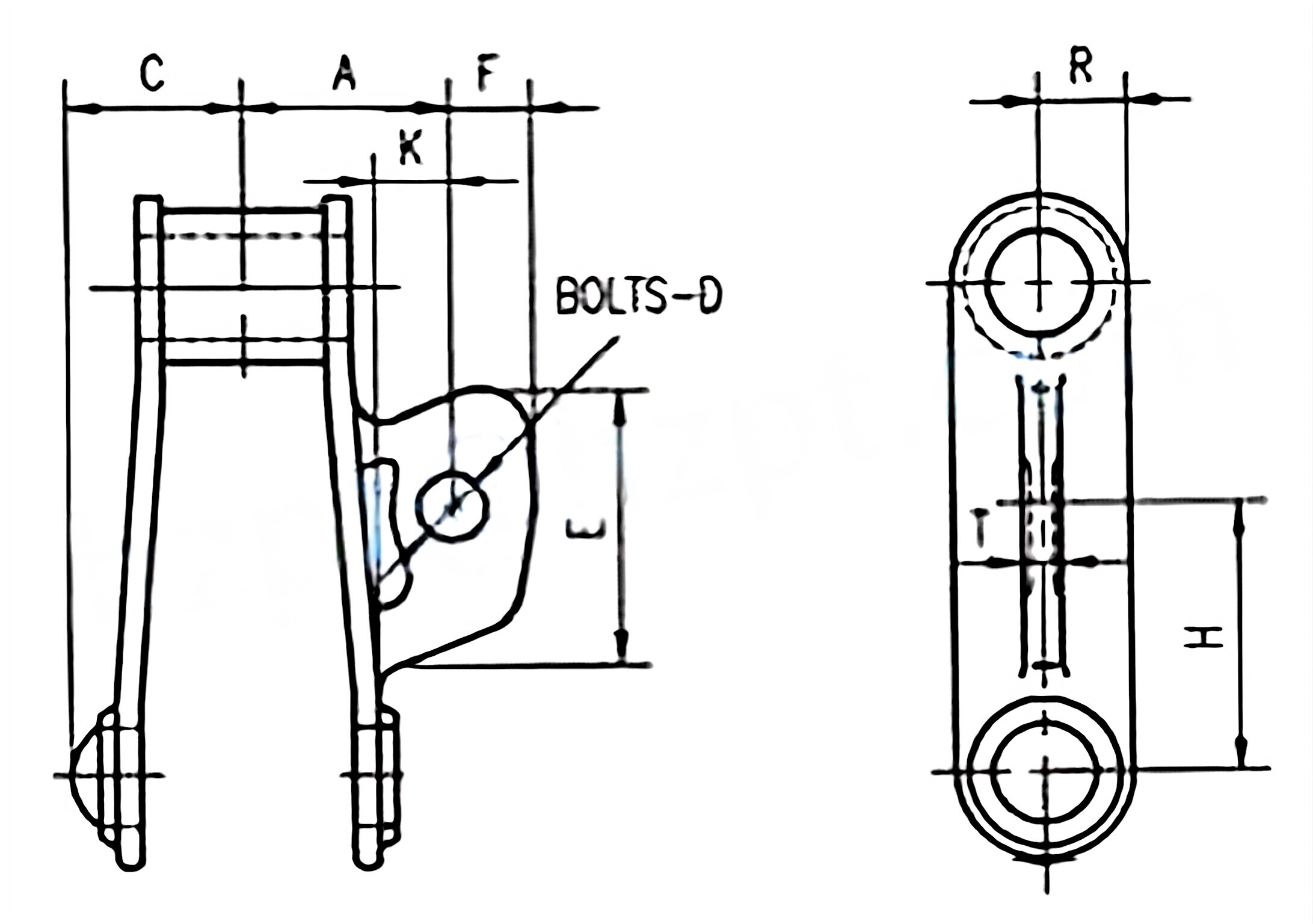
| Chain NO. | Weight Per Foot Pounds | Dimensions in Decimal Inches | ||||||||
| A | C | D | E | F | H | K | R | T | ||
| 730-A42 | 7.3 | 27/16 | 127/32 | 5/8 | 31/4 | 13/16 | 3 | 11/8 | 7/8 | 5/8 |

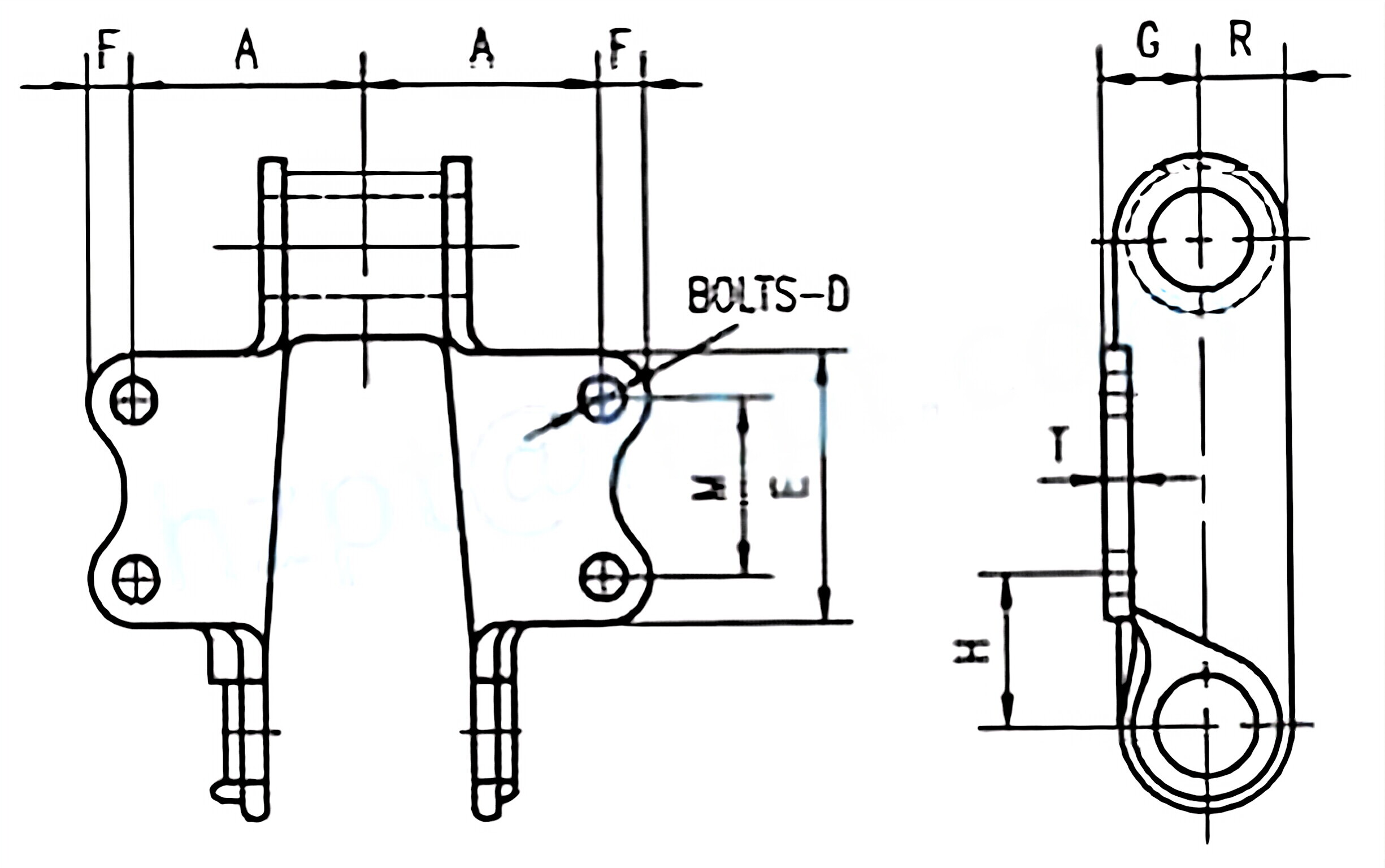
| Chain NO. | Weight Per Foot Pounds | Dimensions in Decimal Inches | ||||||||
| A | D | E | F | G | H | M | R | T | ||
| 710-K2 | 8.1 | 31/8 | 3/8 | 35/16 | 17/32 | 13/16 | 13/16 | 25/16 | 11/16 | 1/4 |
| 730-K2 | 8.6 | 3 | 1/2 | 4 | 11/16 | 1 | 111/16 | 25/8 | 7/8 | 5/16 |


Address
Luotuo Industrial Area, Zhenhai District, Ningbo City, China
Tel
