
Application of XL Cycloidal Pinwheel Reducer![]() | ![]() |
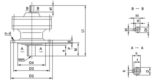
The cycloidal pin gear reducer has a unique operation mode to extend its service life and reduce the total use cost of attaching importance to developing a more elaborate maintenance and servicing plan, implementing it in place, and making emergency preparedness for failures to handle these problems better. The cycloidal pin gear reducer can give full play to its advantages and improve working efficiency after daily maintenance and repair.A cycloidal pin gear reducer is a new type of transmission device. Its basic working principle is based on the cycloidal meshing theory of planetary transmission. The main components of a cycloidal pin gear reducer include an input device, reducer, and output device. Only the harmony of the three makes it possible for the reducer to print.Generally, an eccentric double sleeve is installed on the input shaft of the cycloidal pin gear reducer, and two roller bearings are installed on this foundation. The two bearings are generally called rotary arms. These devices together form an H mechanism. The raceway of the rotary arm bearing on the eccentric sleeve is the middle hole between the cycloidal gears. The tooth difference is an internal meshing reducer with one tooth formed by meshing the pin teeth on the cycloidal gear and the pin gear; sometimes, to effectively reduce the friction resistance, needle gear sleeves are installed on the needle teeth of some reducers with low speed.When the cycloidal pin wheel decelerates, it drives the input shaft of the eccentric sleeve to rotate for one circle. The cycloidal movement is formed by restricting the cycloidal tooth profile curve of the motion characteristics on the revolution and plane movement. When the input shaft rotates clockwise for one week, the eccentric sleeve will rotate for one week, and then it can rotate in the opposite direction from the tooth direction of the surrounding cycloidal gear to reduce the impact. Then, through the W output mechanism, the cycloidal gear and the output speed of the low-speed rotary motion transmitted to the output shaft will be reduced. Thus, the cycloidal pin gear reducer can obtain the required output speed!Address
Luotuo Industrial Area, Zhenhai District, Ningbo City, China
Tel
