Adjustable Lock Nut Elbow-WEE-R Hydraulic Fittings
The Adjustable Lock Nut Elbow-WEE-R Hydraulic Fittings are a specialized component used in hydraulic systems to connect and route fluid flow while providing adjustability. This type of fitting is designed to create a secure connection between two hydraulic lines or components, such as hoses, pipes, or cylinders, at an elbow angle.The key feature of the Adjustable Lock Nut Elbow-WEE-R Hydraulic Fittings is the ability to adjust the fitting position and lock it in place using a lock nut mechanism. This adjustability allows for precise alignment and orientation of the connection, making it ideal for applications where space constraints or specific routing requirements are present.The lock nut on the hydraulic fittings enables secure fastening once the desired position is achieved, preventing the fitting from unintentional movement or loosening due to system vibrations or pressure fluctuations. It ensures a reliable and leak-free connection, contributing to the overall performance and efficiency of the hydraulic system.The Adjustable Lock Nut Elbow-WEE-R Hydraulic Fittings are available in various sizes, materials, and thread types to accommodate different hydraulic system specifications and requirements. It is essential to select the appropriate fitting based on factors such as operating pressure, temperature, compatibility with the hydraulic fluid, and the specific application's demands.

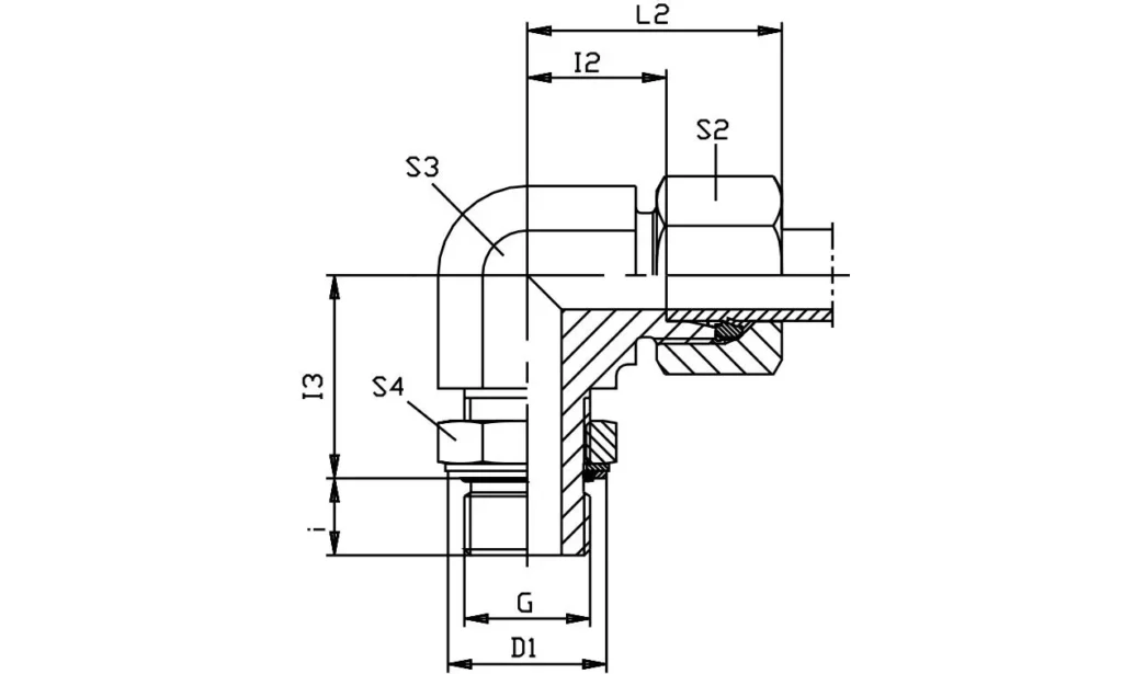
| WEE-RPart NO. | Series Working Pressure(bar/psi) | Tube O.d | Gmale thread | L2 | l2 | l3 | i | D1 | S2 | S3 | S4 |
| WEE06LR | L light 315 bar 4560psi | 6 | G 1/8A | 29 | 14 | 20 | 7 | 15 | 14 | 14 | 14 |
| WEE08LR | 8 | G 1/4A | 31 | 16 | 22 | 10 | 18 | 17 | 14 | 17 | |
| WEE10LR | 10 | G 1/4A | 32 | 17 | 25 | 9 | 20 | 19 | 19 | 19 | |
| WEE12LR | 12 | G 3/8A | 34 | 19 | 26 | 9 | 23 | 22 | 19 | 22 | |
| WEE15LR | 15 | G 1/2A | 36 | 21 | 30 | 11 | 25 | 27 | 22 | 24 | |
| WEE18LR | 250bar3625psi | 18 | G 1/2A | 40 | 24 | 33 | 11 | 28 | 32 | 27 | 27 |
| WEE22LR | 160 bar 2320psi | 22 | G 3/4A | 44 | 28 | 35 | 14 | 33 | 36 | 30 | 32 |
| WEE28LR | 28 | G1A | 47 | 31 | 38 | 14 | 41 | 41 | 36 | 41 | |
| WEE35LR | 35 | G1 1/4 A | 59 | 38 | 48 | 14 | 51 | 50 | 50 | 50 | |
| WEE42LR | 42 | G1 1/2 A | 61 | 38 | 49 | 16 | 56 | 60 | 50 | 55 | |
| WEE06SR | S heavy 315 bar 4650psi | 6 | G 1/4A | 30 | 15 | 22 | 10 | 18 | 17 | 14 | 17 |
| WEE08SR | 8 | G 1/4A | 32 | 17 | 26 | 10 | 20 | 19 | 19 | 19 | |
| WEE10SR | 10 | G 3/8A | 34 | 18 | 27 | 11 | 23 | 22 | 19 | 22 | |
| WEE12SR | 12 | G 3/8A | 38 | 22 | 31 | 12 | 25 | 24 | 22 | 24 | |
| WEE16SR | 250bar 3625psi | 16 | G 1/2A | 43 | 25 | 35 | 14 | 28 | 30 | 27 | 27 |
| WEE20SR | 20 | G 3/4A | 49 | 28 | 39 | 16 | 33 | 36 | 30 | 32 | |
| WEE25SR | 160 bar2320 psi | 25 | G 1A | 54 | 30 | 44 | 16 | 41 | 46 | 36 | 41 |
| WEE30SR | 30 | G 1 1/4A | 62 | 36 | 51 | 17 | 51 | 50 | 50 | 50 | |
| WEE38SR | 38 | G1 1/2A | 65 | 34 | 54 | 19 | 56 | 60 | 50 | 55 |
Adjustable Lock Nut Elbow-WEE-R Hydraulic Fittings are a type of hydraulic fitting that allows for the adjustment of the angle of the connection between two hydraulic lines. They are a popular choice for hydraulic applications because they are reliable, durable, and easy to use.
To ensure that your Adjustable Lock Nut Elbow-WEE-R Hydraulic Fittings continue to operate properly, it is important to perform regular maintenance. Here are a few tips:
1. Inspect the fittings regularly for signs of wear or damage. Pay particular attention to the lock nut and the O-ring. If the lock nut is loose or damaged, it must be replaced immediately. If the O-ring is torn or cracked, it must also be replaced.2. Clean the fittings regularly. This will help to remove any dirt or debris that could potentially damage the hydraulic fittings or cause them to leak. You can use a mild soap and water solution to clean the fittings. Be sure to dry the fittings thoroughly after cleaning.3. Lubricate the fittings regularly. This will help to reduce friction and wear. You can use a silicone-based lubricant to lubricate the fittings. Be sure to apply the lubricant to the lock nut and the O-ring.Here are some additional safety tips to keep in mind when working with Adjustable Lock Nut Elbow-WEE-R Hydraulic Fittings:
4. Always wear safety glasses and gloves when working with hydraulic fittings. Hydraulic fluid under pressure can be very dangerous and can cause serious injury if it comes into contact with your skin or eyes.5. Be sure to relieve any pressure in the hydraulic system before disconnecting any fittings. This can be done by opening a bleed valve or by turning off the hydraulic pump.6. When tightening the lock nut, be careful not to overtighten it. Overtightening the lock nut can damage the fitting and cause it to leak.7. If you are unsure about how to maintain or repair your Adjustable Lock Nut Elbow-WEE-R Hydraulic Fittings, it is best to consult with a qualified hydraulic technician.![]() | ![]() |

Address
Luotuo Industrial Area, Zhenhai District, Ningbo City, China
Tel
