Adjustable Lock Nut Run Tee-LEE-M Hydraulic Fittings
Adjustable Lock Nut Run Tee-LEE-M Hydraulic Fittings are a type of hydraulic fitting that is used to connect three hydraulic lines. They are typically made of brass or steel and have a threaded connection on one end and a flare connection on the other two ends. The adjustable lock nut allows for a secure connection and prevents leakage. Adjustable Lock Nut Run Tee-LEE-M Hydraulic Fittings are easy to install and remove, and they are adjustable to ensure a perfect fit. They are also leak-proof and vibration-resistant, so you can be confident that they will perform flawlessly for years to come.These Adjustable Lock Nut Run Tee-LEE-M Hydraulic Fittings are commonly used in a variety of hydraulic applications, including:


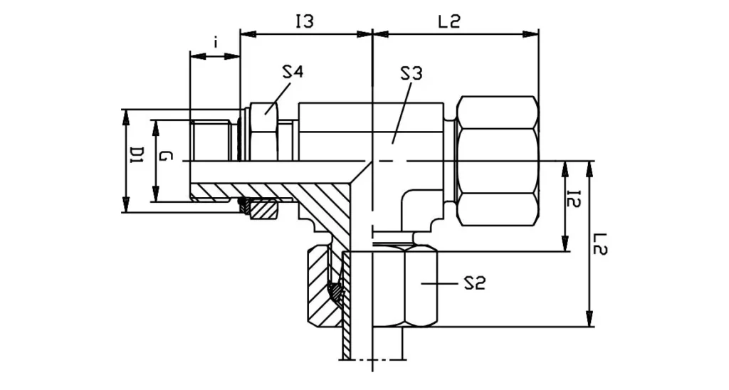
| LEE-MPart NO. | Series Working Pressure(bar/psi) | Tube O.d | Gmale thread | L2 | l2 | l3 | i | D1 | S2 | S3 | S4 |
| LEE06LM | L light 315 bar 4560psi | 6 | M10x1 | 29 | 14 | 20 | 7 | 15 | 14 | 14 | 14 |
| LEE08LM | 8 | M12x1.5 | 31 | 16 | 22 | 10 | 18 | 17 | 14 | 17 | |
| LEE10LM | 10 | M14x1.5 | 32 | 17 | 25 | 9 | 20 | 19 | 19 | 19 | |
| LEE12LM | 12 | M16x1.5 | 34 | 19 | 26 | 9 | 23 | 22 | 19 | 22 | |
| LEE15LM | 15 | M18x1.5 | 36 | 21 | 30 | 11 | 25 | 27 | 22 | 24 | |
| LEE18LM | 250bar3625psi | 18 | M22x1.5 | 40 | 24 | 33 | 11 | 28 | 32 | 27 | 27 |
| LEE22LM | 160 bar 2320psi | 22 | M27x2 | 44 | 28 | 35 | 14 | 33 | 36 | 30 | 32 |
| LEE28LM | 28 | M33x2 | 47 | 31 | 38 | 14 | 41 | 41 | 36 | 41 | |
| LEE35LM | 35 | M42x2 | 59 | 38 | 48 | 14 | 51 | 50 | 50 | 50 | |
| LEE42LM | 42 | M48x2 | 61 | 38 | 49 | 16 | 56 | 60 | 50 | 55 | |
| LEE06SM | S heavy 315 bar 4650psi | 6 | M12x1.5 | 30 | 15 | 22 | 10 | 18 | 17 | 14 | 17 |
| LEE08SM | 8 | M14x1.5 | 32 | 17 | 26 | 10 | 20 | 19 | 19 | 19 | |
| LEE10SM | 10 | M16x1.5 | 34 | 18 | 27 | 11 | 23 | 22 | 19 | 22 | |
| LEE12SM | 12 | M18x1.5 | 38 | 22 | 31 | 12 | 25 | 24 | 22 | 24 | |
| LEE16SM | 250bar 3625psi | 16 | M22x1.5 | 43 | 25 | 35 | 14 | 28 | 30 | 27 | 27 |
| LEE20SM | 20 | M27x2 | 49 | 28 | 39 | 16 | 33 | 36 | 30 | 32 | |
| LEE25SM | 160 bar2320 psi | 25 | M33x2 | 54 | 30 | 44 | 16 | 41 | 46 | 36 | 41 |
| LEE30SM | 30 | M42x2 | 62 | 36 | 51 | 17 | 51 | 50 | 50 | 50 | |
| LEE38SM | 38 | M48x2 | 65 | 34 | 54 | 19 | 56 | 60 | 50 | 55 |


Address
Luotuo Industrial Area, Zhenhai District, Ningbo City, China
Tel
