![]() | ![]() |
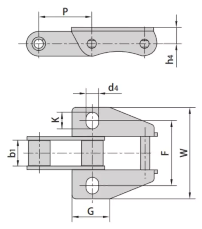
| Chain No. | P | b1 | G | F | W | h4 | d4 | K |
| mm | mm | mm | mm | mm | mm | mm | mm | |
| CA550K39MF2 | 41.4 | 19.81 | 29.5 | 50.80 | 71.4 | 12.7 | 9.9 | 13.0 |
| CA557K39MF2 | 41.4 | 20.24 | 29.5 | 50.80 | 71.4 | 12.7 | 9.9 | 13.0 |
| CA557K39MF6 | 41.4 | 20.24 | 29.5 | 53.98 | 74.5 | 12.7 | 9.9 | 13.0 |
| A557F1K39MF3 | 41.4 | 20.24 | 31.0 | 54.00 | 78.0 | 12.7 | 10.5 | 12.5 |

We focus on metal parts solutions for chains, vehicles, agricultural machinery, construction machinery, transportation equipment, valves, and pump systems.By keeping manufacturing process design, quality planning, key manufacturing processes, and final quality control in-house, we have mastered the critical ability to provide high-quality mechanical parts and components for customers in China and export markets.To meet the different mechanical and functional requirements of customers, we produce various metal products for customers based on different blank solutions and technologies.At the early stage of the customer's design process, we provide professional advice to customers on process feasibility, cost reduction, and functional methods. Welcome to contact us for technical consultation and business cooperation.Our team is a happy family. We not only provide products for customers but also try to create more value for customers' business by introducing appropriate solutions or technologies while considering component functions, technical advantages, realization feasibility, cost control, and quality reliability.
Sprockets fit our entire conveyor chain range.The drive chain and the conveying chain are driven by sprockets. The uniform distribution of power depends on the precise transmission between the sprocket teeth and the chain rollers or bushes.Because sprockets significantly impact the chain's life, all challenging sprockets (from casting to precision mechanical cutting) are manufactured according to strict tolerances and quality control. We also recommend that all customers replace the sprocket when replacing the chain to maximize the chain life.
Address
Luotuo Industrial Area, Zhenhai District, Ningbo City, China
Tel
