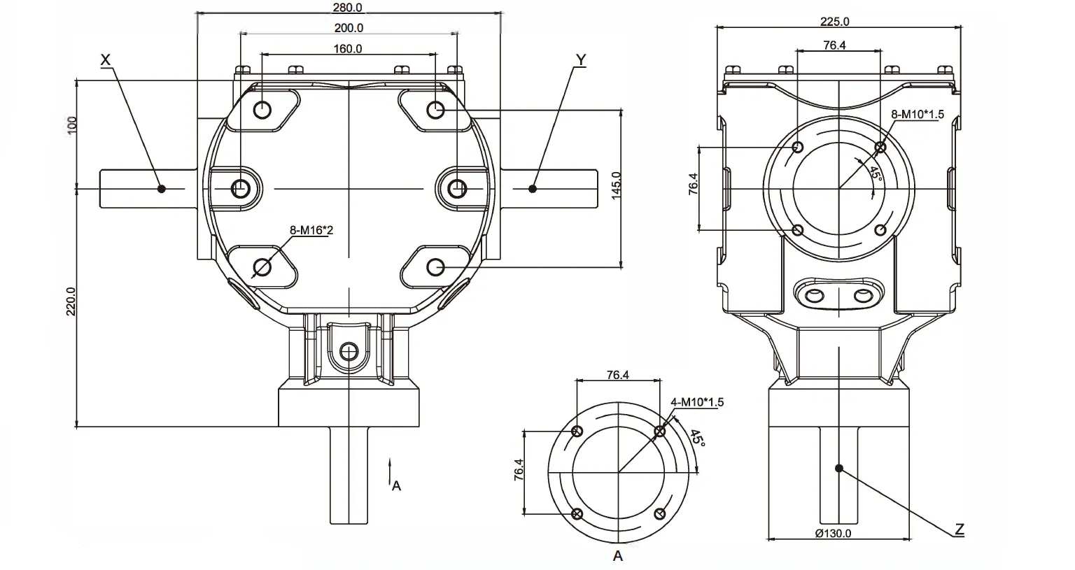
Agricultural Gearbox-Replacement of Bondioli & Pavesi 2125
The replacement Replacement of Bondioli & Pavesi 2125 gearbox is designed to handle high-power input and output, allowing it to effectively transfer power from the source to the driven equipment. It is engineered to withstand the heavy loads and stresses commonly encountered in agricultural operations. This gearbox is designed to be versatile and is compatible with various types of agricultural machinery, including mowers, tillers, and more.The agricultural gearbox provides different gear ratio options, enabling users to adjust the output speed and torque to suit specific applications. This versatility allows for customization based on the machinery requirements and the desired operational efficiency. The replacement Replacement of Bondioli & Pavesi 2125 gearbox offers versatile mounting options, allowing it to be easily integrated into various agricultural equipment setups. It can be adapted to different configurations, such as inline or right-angle arrangements, to provide flexibility for equipment and users.


| i | Suitable | Rpm input | Rpm output | KW(Nom) | Output torque | Toothing | |
| r/min | r/min | hp | N.m | ||||
| 1:1 | Universal gearbox | 540 | 540 | 100 | 137 | Gleason HelicalTeeth | |
| Decelerate | 1.35:1 | 540 | 400 | 81 | 110 | ||
| 1.47:1 | 540 | 367 | 75 | 102 | |||
| 1.93:1 | 540 | 280 | 48 | 65 | |||
| 2.30:1 | 540 | 235 | 34 | 46 | |||
| Remark: If you have any special require feel free let me know, we also accept custom. | |||||||




![]() | ![]() |
![]() | ![]() |
Address
Luotuo Industrial Area, Zhenhai District, Ningbo City, China
Tel
