Agricultural Sprayer Gearbox – Replacement of Comer Code D21B D21F
The agricultural sprayer gearbox is a device that is used to provide the correct speed and torque levels required to drive agricultural sprayers. These gearboxes are usually used to power sprayers for the application of liquid chemical fertilizers, weed killers, pesticides, and similar chemicals in a variety of agricultural settings.Agricultural sprayer gearboxes play a crucial role in the operation of agricultural sprayers. These gearboxes are designed to transfer power from the sprayer's power source, typically a tractor's power take-off (PTO), to drive the sprayer's pump and other components. They are responsible for converting the rotational power of the PTO into the appropriate speed and torque required for efficient spraying.The gearbox acts as a mechanical interface between the power source and the sprayer's pump, controlling the speed and direction of rotation. It allows the operator to adjust the spraying speed according to the specific application requirements, such as the type of crop, terrain, and desired spray coverage. By changing gears or adjusting the gearbox settings, the operator can modify the pump's speed to achieve the desired spray rate.The gearbox assembly usually includes several components, such as gears, shafts, bearings, seals, and housing. Gears within the gearbox are precisely machined to ensure efficient power transmission and minimize losses due to friction. Bearings support the rotating shafts, reducing friction and enabling smooth operation. Seals help prevent the intrusion of contaminants and ensure proper lubrication of the gearbox components.

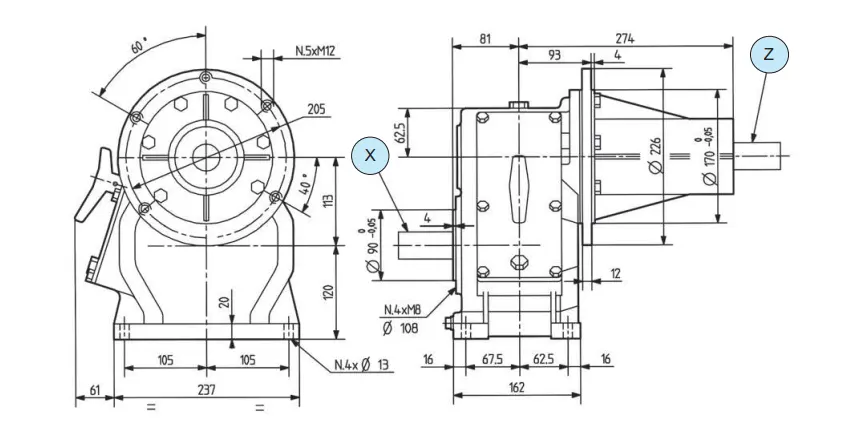
| i | N1[rpm] | P1[kW] | M2[Nm] | Shaft Type | Input | |
X![]() | Z![]() | |||||
| 3.904.90 | 540 | 38.9 | - | 1'' 3/8 Z6 | L270 35 | X |
| 3.604.50 | 540 | 40.5 | - | 1'' 3/8 Z6 | L165 40 | X |
| 3.604.50 | 540 | 47.8 | - | 1'' 3/8 Z6 | L286 40 | X |
| 2.903.90 | 540 | 41.2 | - | 1'' 3/8 Z6 | L221 35 | X |







Address
Luotuo Industrial Area, Zhenhai District, Ningbo City, China
Tel
