Assembled Adjustable Swivel Run Tee-EL-R-ED Hydraulic Fittings
Assembled Adjustable Swivel Run Tee-EL-R-ED Hydraulic Fittings are a type of hydraulic fitting that is used to connect three hydraulic lines together. They are typically used in applications whAssembled Adjustable Swivel Run Tee-EL-R-ED Hydraulic Fittings provide a versatile and adjustable connection point in hydraulic systems, allowing for fluid flow in multiple directions. It is commonly used in applications where branching of fluid lines is required, such as in construction equipment, agricultural machinery, or industrial hydraulic systems.

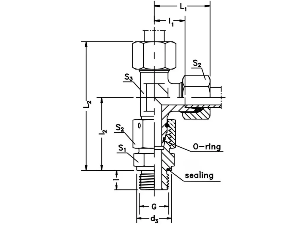
| EL-MPart NO. | SeriesWorking Pressure (bar/psi) | Tube O.d | Gmale thread | d3 | i | l1 | L1 | L2 | S1 | S2 | S3 |
| EL06LRED | L Light 315 bar4560 psi | 6 | G 1/8A | 8 | 12 | 34.5 | 27 | 34.5 | 14 | 14 | 12 |
| EL08LRED | 8 | G 1/4A | 12 | 14 | 37.5 | 29 | 37.5 | 19 | 17 | 12 | |
| EL10LRED | 10 | G 1/4A | 12 | 15 | 40 | 30 | 40 | 19 | 19 | 14 | |
| EL12LRED | 12 | G 3/8A | 12 | 17 | 42 | 32 | 42 | 22 | 22 | 17 | |
| EL15LRED | 15 | G 1/2A | 14 | 21 | 46.5 | 36 | 46.5 | 27 | 27 | 19 | |
| EL18LRED | 18 | G 1/2A | 14 | 23.5 | 50 | 40 | 50 | 27 | 32 | 24 | |
| EL22LRED | 160 bar 2320psi | 22 | G 3/4A | 16 | 27.5 | 55 | 44 | 55 | 32 | 36 | 27 |
| EL28LRED | 28 | G 1A | 18 | 30.5 | 59 | 47 | 59 | 41 | 41 | 36 | |
| EL35LRED | 35 | G 1 1/4A | 20 | 34.5 | 68.5 | 56 | 68.5 | 50 | 50 | 41 | |
| EL42LRED | 42 | G 1 1/2A | 22 | 40 | 75 | 63 | 75 | 55 | 60 | 50 | |
| EL06SRED | S Heavy 630 bar9130 psi | 6 | G 1/4A | 12 | 16 | 40 | 31 | 40 | 19 | 17 | 12 |
| EL08SRED | 8 | G 1/4A | 12 | 17 | 42.5 | 32 | 42.5 | 19 | 19 | 14 | |
| EL10SRED | 10 | G 3/8A | 12 | 17.5 | 45 | 34 | 45 | 22 | 22 | 17 | |
| EL12SRED | 12 | G 3/8A | 12 | 21.5 | 48 | 38 | 48 | 22 | 24 | 17 | |
| EL14SRED | 14 | G 1/2A | 14 | 22 | 54 | 40 | 54 | 27 | 27 | 19 | |
| EL16SRED | 16 | G 1/2A | 14 | 24.5 | 55 | 43 | 55 | 27 | 30 | 24 | |
| EL20SRED | 400 bar5800 psi | 20 | G 3/4A | 16 | 26.5 | 65 | 48 | 65 | 32 | 36 | 27 |
| EL25SRED | 25 | G 1A | 18 | 30 | 73 | 54 | 73 | 41 | 46 | 36 | |
| EL30SRED | 30 | G 1 1/4A | 20 | 35.5 | 78.5 | 62 | 78.5 | 50 | 50 | 41 | |
| EL38SRED | 315 bar4560 psi | 38 | G 1 1/2A | 22 | 41 | 89 | 72 | 89 | 55 | 60 | 50 |
![]() | ![]() |

Address
Luotuo Industrial Area, Zhenhai District, Ningbo City, China
Tel
