C2060 Chain C2060 Roller Chain
The C2060 roller chain is a double-pitch straight-side plate chain that is commonly found in conveying applications. It is a high-strength, lightweight chain with flat surfaces to carry products. The C2060 chain has a 9,270LB ultimate tensile strength, 1-1/2" pitch, solid rollers, and heat-treated components.The C2060 chain is typically used in applications where a high degree of strength and durability is required, such as conveyors, hoists, and winches. It is also a good choice for applications where a low-profile chain is needed, such as in food processing and packaging equipment.Here are some of the key features of the C2060 roller chain:![]() | ![]() |

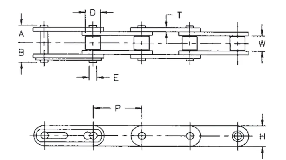
| Chain Size: | C2060 Chain |
| Pitch (P):? | 1.500" |
| Roller Width (W):? | 0.500" |
| Roller Diameter (R):? | 0.469" |
| Plate Height (H):? | 0.683" |
| Plate Thickness (T):? | 0.093" |
| Pin Diameter (D): | 0.234" |
| Chain Width (F):? | 1.172" |
| Connecting Link Width (G):? | 1.248" |
| Tensile Strength:? | 9,270 LBS |
| Weight:? | 0.76 LBS/ FT |
![]() | ![]() |
| C2060 Chain Connecting Link | C2060 Chain Offset Link |
![]() | ![]() |


Address
Luotuo Industrial Area, Zhenhai District, Ningbo City, China
Tel
