



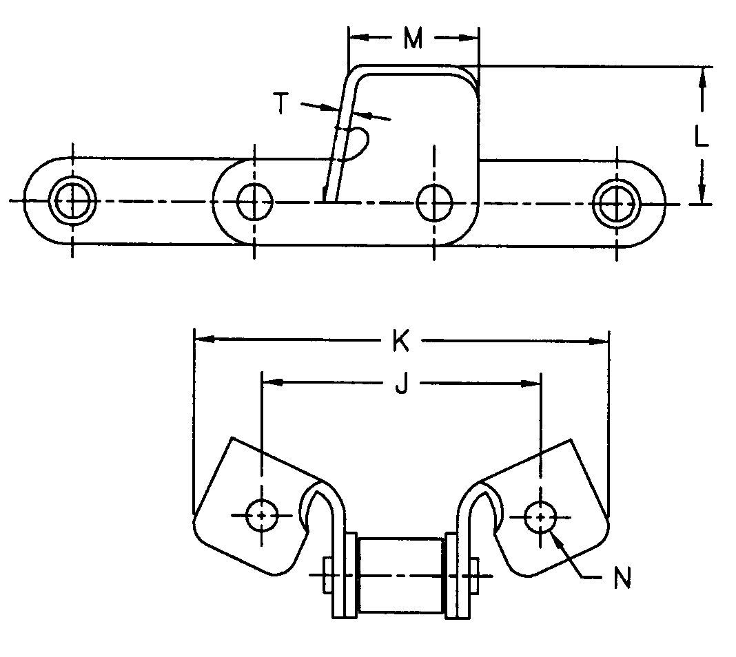
Att. No. | Chain No. | J | K | L | M | N | R | T | S |
F13 | CA550HD | 3.125 | 5.346 | 2.332 | 1.600 | .344 | 1.125 | .125 | 35° |
F15 | CA550HD | 5.280 | 8.020 | 3.673 | 1.125 | .344 | 2.063 | 1.250 | 40° |
F15M | CA550HD | 5.280 | 8.020 | 3.673 | 1.125 | .406 | 2.063 | 1.250 | 40° |
F16 | CA550HD | 3.125 | 4.320 | 1.970 | 1.350 | .328 | 1.125 | .125 | 22° |

Address
Luotuo Industrial Area, Zhenhai District, Ningbo City, China
Tel
