CA557 Roller Chain CA557 Agricultural Roller Chain
CA557 roller chain is commonly known as a CA557 agricultural roller chain, or CA557 implement chain, and is manufactured using hardened steel parts to close tolerances. Implement chains have been used in the farming and conveying industries since the early 1900s. Though dimensionally equivalent to other brands, our CA557 roller chain often has superior durability, high quality, high strength, and long working life. CA557 agricultural roller chain is found in a wide range of applications, including agriculture, conveyors, corn gathering, elevator feed stations, feeder houses, forage harvesters, baggers, grain handling, manure spreaders, and more.We offer a full line of CA557 roller chain attachments that can be assembled onto the chain in any configuration. We also offer full-line CA557 roller chain sprockets and can supply them with almost any hub, bore, or tooth configuration required. For more information on the CA557 roller chain or to get a quote on attachments or sprockets, please contact us, and we will be happy to assist you.

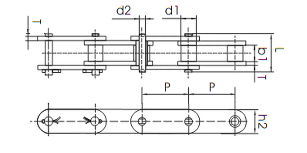
| ANSI Chain Size: | CA557 Chain (CA557 Agricultural Roller Chain) |
| Chain Material: | Carbon/Alloy |
| Pitch (P): | 1.630'' |
| Inner Width (b1): | 0.797'' |
| Roller Diameter (d1): | 0.700'' |
| Overall Width (L): | 1.600'' |
| Pin Diameter (d2): | 0.315'' |
| Link Plate Height (h2): | 0.909'' |
| Link Plate Thickness (T): | 0.125'' |
| Average Tensile Strength: | 16,700 lbs |
| Max Working Load: | 2,100 lbs |
| No. Of Pitches/Links Per 10 Feet: | 74 |
| No. Of Connecting Links Included: | 1 |

![]() | ![]() |
| CA557 Chain Connecting Link (Master Link) | CA557 Chain Offset Link (Half Link) |
![]() | ![]() |
| CA557 Chain Roller Link | CA557 Roller Chain Breaker Tool |
![]() | ![]() |
| CA557 Chain K29 Attachment | CA557 Chain A29 Attachment |
![]() | ![]() |
| CA557 Chain A4 Attachment | CA557 Chain ?U16 Attachment |
![]() | ![]() |
![]() | ![]() |


![]() | ![]() |
Address
Luotuo Industrial Area, Zhenhai District, Ningbo City, China
Tel
