CF-GH Series Harmonic Drive (Strain Wave Gear Reducer)
The CF-GH series harmonic drive reducer is an advanced precision gearbox widely used in various industries for high-precision motion control applications. Harmonic drive technology, also known as strain wave gearing, is a compact and efficient gear mechanism that offers superior torque transmission capabilities with zero backlash. The CF-GH series builds upon this technology, incorporating several design enhancements and improvements to deliver even better performance.One of the key features of the CF-GH series harmonic drive reducer is its high torque density. It can transmit a large amount of torque relative to its compact size, making it ideal for applications where space is limited. This high torque density allows for more flexibility in system design and integration. The CF-GH series also offers excellent positional accuracy. It provides precise motion control thanks to its minimal backlash and high torsional stiffness. This accuracy is crucial in applications that require precise positioning, such as robotics, machine tools, and automation systems.Furthermore, the CF-GH series harmonic drive reducer offers a long service life with low maintenance requirements. Its rugged construction and high-quality materials ensure durability and reliability even in demanding environments. This reduces downtime and increases productivity, making it a cost-effective solution for many industries. The CF-GH series harmonic drive reducer is available in various sizes and configurations to accommodate different torque and speed requirements. It can be customized to meet specific application needs, including different mounting options, input and output shaft configurations, and gear ratios.

| 1Model name | 2model number | 3reduction ratio | type | Mounting type | ||||
| CF Standard | 14 | 050 | 080 | 100 | - | - | GH Gearbox type | See drawings for details |
| 20 | 050 | 080 | 100 | 120 | - | |||
| 32 | 050 | 080 | 100 | 120 | 160 | |||
| 45 | 050 | 080 | 100 | 120 | 160 | |||
| Model | Reduction ratio | Input 2000r/minRated torque *1 | Input 3000r/minRated torque *2 | Average load torqueAllowable Maximum Value of Average Load Torque *3 | At start-stop Peak torque *4 | Instantaneous maximum torque *5 | MaximumInput speed *6 | Reducer body weight*7 | |
| Nm | Nm | Nm | Nm | Nm | r/min | Shaft output kg | Flange output kg | ||
| 14 | 50 | 5.4 | 4.7 | 6.9 | 18 | 35 | 8500 | 0.62 | 0.5 |
| 80 | 7.8 | 6.8 | 11 | 23 | 47 | ||||
| 100 | 7.8 | 6.8 | 11 | 28 | 54 | ||||
| 20 | so | 25 | 22 | 34 | 56 | 98 | 6500 | 1.8 | 1.4 |
| 80 | 34 | 30 | 47 | 74 | 127 | ||||
| 100 | 40 | 35 | 49 | 82 | 147 | ||||
| 120 | 40 | 35 | 49 | 87 | 147 | ||||
| 160 | 40 | 35 | 49 | 92 | 147 | ||||
| 32 | 50 | 76 | 66 | 108 | 216 | 382 | 4800 | 4.6 | 3.2 |
| 80 | 118 | 103 | 167 | 304 | 568 | ||||
| 100 | 137 | 120 | 216 | 333 | 647 | ||||
| 120 | 137 | 120 | 216 | 353 | 686 | ||||
| 160 | 137 | 120 | 216 | 372 | 686 | ||||
| 45 | 50 | 176 | 154 | 265 | 500 | 950 | 3800 | 13 | 10 |
| 80 | 313 | 273 | 390 | 706 | 1270 | ||||
| 100 | 353 | 308 | 500 | 755 | 1570 | ||||
| 120 | 402 | 351 | 620 | 823 | 1760 | ||||
| 160 | 402 | 351 | 630 | 882 | 1910 | ||||

| Mounting type | Dimension | ||||
| A | B | C | D | E | |
| A08F01 | Φ8+0.02/+0.005 | Φ30+0.03/+0.01 | Φ46 | M4xl0 | M3 |
| A08F02 | Φ8+0.02/+0.005 | Φ30+0.03/+0.01 | Φ45 | M3x8 | M3 |

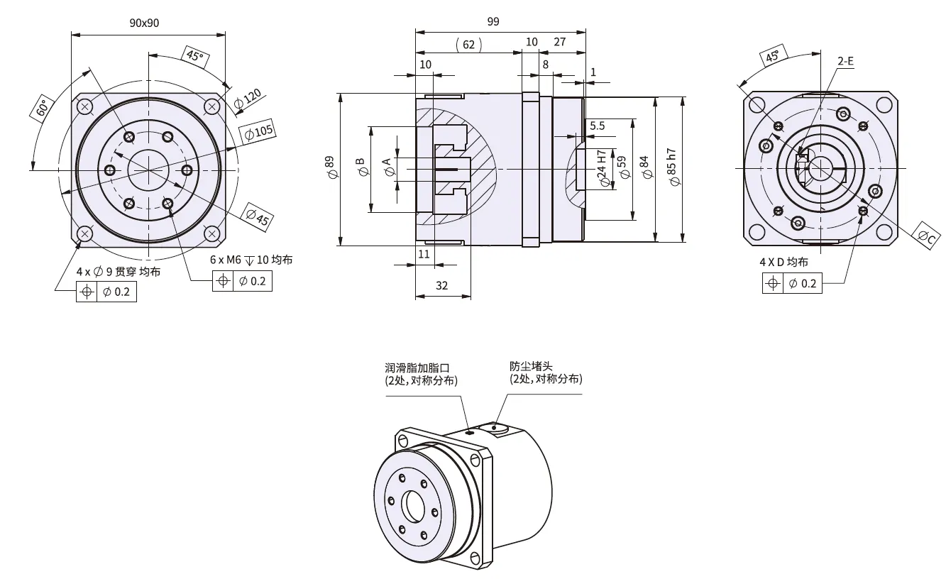
| Mounting type | Dimension | ||||
| A | B | C | D | E | |
| A11F01 | Φ1+0.02/+0.005 | Φ50+0.03/+0.01 | Φ70 | M4x10 | M4 |
| A14F01 | Φ14+0.026/+0.005 | Φ50+0.03/+0.01 | Φ70 | M4x10 | M4 |

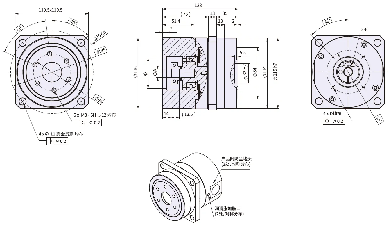
| Mounting type | Dimension | ||||
| A | B | C | D | E | |
| A14F01 | Φ14+0.026/+0.008 | Φ50+0.03/+0.01 | Φ70 | M4x10 | M4 |
| A19F01 | Φ19+0.03/+0.008 | Φ70+0.035/+0.01 | Φ90 | M5x12 | M5 |

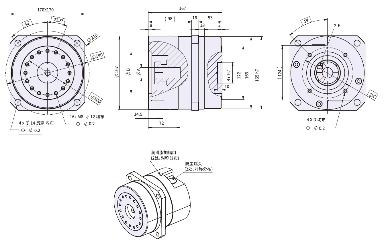
| Mounting type | Dimension | ||||
| A | B | C | D | E | |
| A19F01 | Φ19+0.03/+0.008 | Φ70+0.035/+0.01 | Φ90 | M5x12 | M5 |
| A19F02 | Φ19+0.03/+0.008 | Φ110+0.05/+0.02 | Φ145 | M8x20 | M5 |
| A22F01 | Φ22+0.03/+0.008 | Φ110+0.05/+0.02 | Φ145 | M8x20 | M6 |
| A22F02 | Φ22+0.03/+0.008 | Φ110+0.05/+0.02 | Φ130 | M8x20 | M6 |
| A24F01 | Φ24+0.03/+0.008 | Φ110+0.05/+0.02 | Φ145 | ||
Address
Luotuo Industrial Area, Zhenhai District, Ningbo City, China
Tel
