

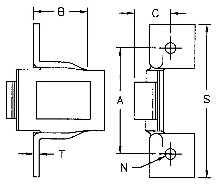
Att. No. | Chain No. | A | B | C | N | TS | T |
SD | 32W | 2.125 | 1.188 | .625 | .203 | 2.813 | .095 |
55 | 2.250 | 1.125 | .781 | .234 | 3.250 | .125 | |
62 | 2.500 | 1.125 | .781 | .266 | 3.625 | .148 | |
SE | 55 | 2.438 | 1.125 | .781 | .313 | 3.250 | .125 |
SH | 55 | 2.250 | 1.125 | .781 | .281 | 3.250 | .125 |
62 | 2.750 | 1.125 | .781 | .266 | 3.625 | .148 | |
SH1 | 62 | 2.750 | 1.125 | .781 | .328 | 3.625 | .148 |
Address
Luotuo Industrial Area, Zhenhai District, Ningbo City, China
Tel
