Raydafon Technology Group Co.,Limited
Raydafon Technology Group Co.,Limited
Products
Products
Detachable Chain 55-K1 62-K1
  • Detachable Chain 55-K1 62-K1Detachable Chain 55-K1 62-K1

Detachable Chain 55-K1 62-K1

Raydafon Guoup's Detachable Chain 55-K1 62-K1 is a versatile, high-strength chain designed for secure yet flexible applications. Its detachable links offer easy assembly and customization, making it ideal for DIY enthusiasts and professionals in construction or outdoor activities. Crafted from durable materials, it ensures reliability in various scenarios like towing, securing loads, or creative projects. Experience the freedom and confidence of a product that solves hassle and boosts efficiency—superior to standard chains with its user-friendly design and lasting performance.

Agricultural Steel Detachable Chain 55-K1 62-K1 With K1 Attachment

Raydafon detachable chain is made from special analysis hot rolled strip steel. The links are precision formed for pitch uniformity and heat treated to assure high strength and long wear life.
The links can easily be assembled or disassembled by flexing the chain and tapping the link in or out.The chain should always be operated with the closed side of the barrel against the sprocket.
Steel detachable chain is de- signed for moderate loads and speeds. Plain chain is used for transmission drives and with interspersed at- tachments for conveying applications. This type of chain is very economical and easy to install and repair.
Detachable Chain 55-K1 62-K1
Detachable Chain 55-K1 62-K1
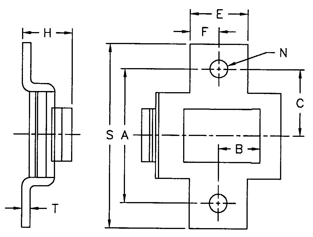
Att. No.
Chain No.
A
B
C
E
F
H
N
S
K1
55
2.000
.625
1.000
.875
.438
.750
.266
2.750
K1
62
2.469
.625
1.234
.875
.438
.578
.266
3.250
we are specialised in producing Agricultural Roller Chain, Flat Top Chain,Caterpillar Track Chain,Hollow Pin Chain,Conveyor Chain for Beer Filling and Packing Line,Paver Chain,Attachment Sidebar Elevator Chain,Bucket Elevator Chain (Cement Mill Chain),Forging Scraper Chain,Loading Chain for Automobile Industry,Loading Chain for Metallurgical Industry,Conveyor Chain for Mine Machinery,Trencher Chain,Sugar Mill Chain,Double Flex Chain,etc. Welcome calls and emails to inquiry!
Contact us: We care about our valued buyers, if you have any questions, our Customer Service staffs will be very glad to help you. We try our best to reply to your emails as soon as possible, however, due to high volume of daily incoming emails and time zone difference, we may not be able to reply your emails immediately. Please allow 24 business hours for us to response.
Hot Tags: Detachable Chain 55-K1 62-K1, Detachable Chain Wholesale, Custom Detachable Chain Supplier
Send Inquiry
Contact Info
Get customized quotes for transmission components, gearboxes, and machinery. Our engineers will respond within 24 hours.
Online
X
We use cookies to offer you a better browsing experience, analyze site traffic and personalize content. By using this site, you agree to our use of cookies. Privacy Policy
Reject Accept