Double Disc Silage Machine Gearbox RDF-QZ115 for Silage Machines
The Double Disc Silage Machine Gearbox RDF-QZ115 is a specific gearbox model designed for double-disc silage machines. It plays a crucial role in the operation of the silage machine, driving the cutting mechanism and enabling efficient forage processing for silage production.The gearbox is typically constructed with high-quality materials to withstand the demanding conditions of agricultural operations. It incorporates gears, shafts, bearings, and other components that work together to transmit power and control the rotational motion of the cutting discs. The gearbox receives power from the tractor or power source through a drive shaft. It transfers this rotational power to the cutting discs, allowing them to rotate at the desired speed and torque for efficient cutting and chopping of the forage.The Double Disc Silage Machine Gearbox RDF-QZ115 provides control over the cutting mechanism of the silage machine. It ensures that both cutting discs rotate at the same speed and in synchronization, allowing for uniform cutting and chopping of the forage across the working width of the machine. The gearbox's design and configuration are optimized to achieve optimal chopping efficiency. It ensures that the cutting discs rotate at the appropriate speed and torque, enabling the cutting knives or blades to make clean and precise cuts through the forage. This promotes consistent particle size and enhances the ensiling process.

| i | Suitable | Rpm input | Rpm output | Output torque | Weight | Toothing | |
| r/min | r/min | N.m | kg | ||||
| Decelerate | 1: 1 | silage machines, etc | 1000 | 1000 | 580 | 35 | Gleason HelicalTeeth |
| Remark: If you have any special require feel free let me know, we also accept custom. | |||||||
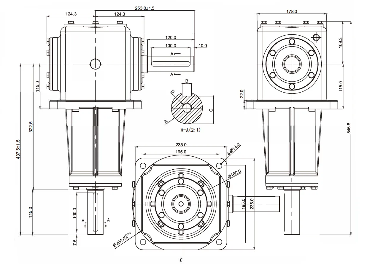
| A | B | C | D |
| Φ45 | 14 | 39.5 | M14 |
| Φ40 | 12 | 35 | M12 |
| Φ35 | 10 | 30 | M12 |




![]() | ![]() |
![]() | ![]() |
Address
Luotuo Industrial Area, Zhenhai District, Ningbo City, China
Tel
