Double Pitch Conveyor Chains Attachments AA-1 AA-2 KK-1 KK-2
A variety of attachments can be combined with standard double pitch conveyor chains. Ever power manufactures double-pitch chains with different pitch levels. These chains are manufactured using the highest quality alloy steel and manufacturing processes. They can be used in various applications, including conveying biomass fuels, recycling materials and wood. Their case-hardened pins provide the best balance between strength and wear resistance.
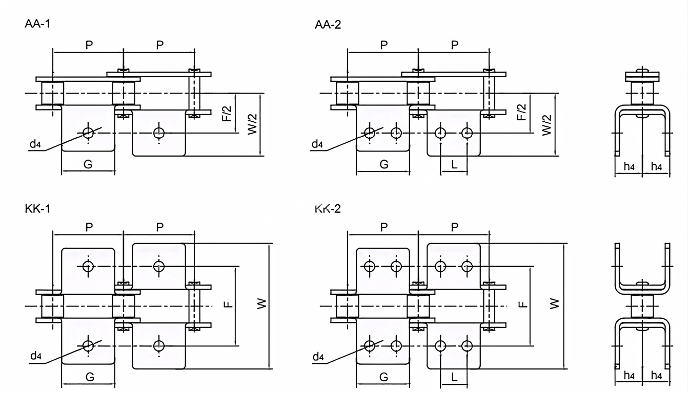
| Chain No. | ANSIChain No. | P | G | L | F | W | h4 | d4 |
| mm | mm | mm | mm | mm | mm | mm | ||
| C208A C208AL | C2040 C2042 | 25.40 | 19.1 | 9.5 | 25.4 | 39.6 | 9.1 | 3.4 |
| C208B C208BL | 25.40 | 23.2 | 12.7 | 25.4 | 39.6 | 9.1 | 4.5 | |
| C210A C210AL | C2050 C2052 | 31.75 | 23.8 | 11.9 | 31.8 | 49.0 | 11.1 | 5.5 |
| C212A C212AL | C2060 C2062 | 38.10 | 28.6 | 14.3 | 42.9 | 67.8 | 14.7 | 5.5 |
| C212AH C212AHL | C2060H C2062H | 38.10 | 28.6 | 14.3 | 42.9 | 67.8 | 14.7 | 5.5 |
| C216A C216AL | C2080 C2082 | 50.80 | 38.1 | 19.1 | 55.6 | 87.8 | 19.1 | 6.8 |
| C216AH C216AHL | C2080H C2082H | 50.80 | 38.1 | 19.1 | 55.6 | 87.8 | 19.1 | 6.8 |
| 2060AA2F1 | 38.10 | 38.1 | 19.0 | 37.5 | 57.5 | 14.8 | 6.5 | |
| C2062AA1F1 | 38.10 | 14.0 | - | 33.4 | 52.0 | 9.0 | 6.4 | |
| C2080K1F4 | 50.80 | 38.1 | - | 80.0 | 112.0 | 15.3 | 8.5 | |
| C2082HAA1F1 | 50.80 | 25.0 | - | 78.8 | 128.8 | 17.5 | 8.0 | |
| C2082HAA1F2 | 50.80 | 25.0 | - | 77.8 | 127.8 | 17.5 | 12.0 | |
| C2122HAA1 | 76.20 | 57.2 | - | 79.3 | 121.4 | 27.8 | 11.0 |


Address
Luotuo Industrial Area, Zhenhai District, Ningbo City, China
Tel
