
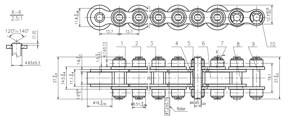
| Part name | Material | Case depth | Hegt treatmenthardness |
| plate | 40Mn | 43~50HRC | |
| Pin | 20CrMnMo | 0.2~0.35 | 79~83HRA |
| Bush | 20Mn | 0.1~0.22 | 74~80HRA |
| Roller(S) | 20 | 0.25~0.35 | 76~80HRA |
| Roller(L) | 20 | 0.2~0.3 | >79HRA |


Enhanced Strength and Wear Resistance:
Improved Performance and Efficiency:


Address
Luotuo Industrial Area, Zhenhai District, Ningbo City, China
Tel
