

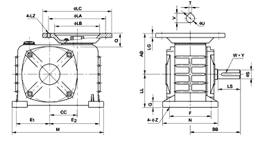
DZ | Shaft Direction ![]() |
| SIZE | KW | RATIO | AB | LL | BB | CC | E1 | E2 | F | M | N | G | Z | FLANGE | INPUT HOLE | OUTPUT SHAFT | KG | ||||||||
| LA | LB | LC | LG | LZ | Q | U | T×V | LS | S | W×Y | |||||||||||||||
| 50 | 0.18 | 1/101/201/301/401/501/60 | 87 | 76 | 95 | 50 | 53 | 77 | 100 | 160 | 125 | 15 | 11 | 115 | 95 | 140 | 10 | M8 | 25 | 11 | 4×12.8 | 40 | 17 | 5×3 | 7.5 |
| 60 | 0.18 | 78 | 82 | 110 | 60 | 68 | 92 | 100 | 190 | 130 | 15 | 11 | 115 | 95 | 140 | 10 | M8 | 25 | 11 | 4×12.8 | 50 | 22 | 7×4 | 12 | |
| 0.37 | 130 | 110 | 160 | 35 | 14 | 5×16.3 | |||||||||||||||||||
| 70 | 0.37 | 101 | 95 | 130 | 70 | 75 | 115 | 120 | 230 | 155 | 20 | 15 | 130 | 110 | 160 | 10 | M8 | 33 | 14 | 5×16.3 | 60 | 28 | 7×4 | 15 | |
| 0.75 | 165 | 130 | 200 | M10 | 43 | 19 | 6×21.8 | ||||||||||||||||||
| 80 | 0.75 | 118 | 100 | 140 | 80 | 96 | 144 | 125 | 265 | 160 | 20 | 15 | 165 | 130 | 200 | 12 | M10 | 43 | 19 | 6×21.8 | 65 | 32 | 10×4×5 | 22 | |
| 1.5 | 55 | 24 | 8×27.3 | ||||||||||||||||||||||
| 100 | 1.5 | 145 | 135 | 155 | 100 | 100 | 150 | 155 | 310 | 195 | 22 | 15 | 165 | 130 | 200 | 15 | M10 | 55 | 24 | 8×27.3 | 75 | 38 | 10×4.5 | 38 | |
| 2.2 | 215 | 180 | 250 | M12 | 65 | 28 | 8×31.3 | ||||||||||||||||||
| 120 | 2.2 | 160 | 160 | 185 | 120 | 120 | 180 | 180 | 360 | 230 | 28 | 18 | 215 | 180 | 250 | 18 | M12 | 65 | 28 | 8×31.3 | 85 | 45 | 12×4.5 | 60 | |
| 3.0 | |||||||||||||||||||||||||
| 135 | 3.0 | 183 | 170 | 210 | 135 | 130 | 200 | 200 | 390 | 250 | 30 | 18 | 215 | 180 | 250 | 20 | M12 | 65 | 28 | 8×31.3 | 95 | 55 | 15×5 | 80 | |
Address
Luotuo Industrial Area, Zhenhai District, Ningbo City, China
Tel
