
| Type | EPL40 | EPL60 | EPL90 | EPL120 | EPL160 | ||||||||||||
| stages | 1 | 2 | 3 | 1 | 2 | 3 | 1 | 2 | 3 | 1 | 2 | 3 | 1 | 2 | 3 | ||
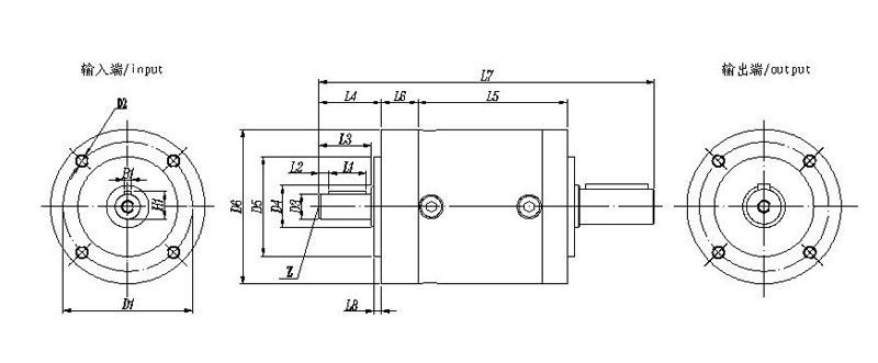
| D1 | flange holes circle | 34 | 52 | 70 | 100 | 145 | |||||||||||
| D2 | Mounting threadx depth | 4?/font> | M4? | M5? | M6?0 | M10?6 | M10?8 | ||||||||||
| D3 | Output shaft diameter | h7 | 8 | 10 | 16 | 20 | 35 | ||||||||||
| D4 | Shaft root | 12 | 17 | 25 | 35 | 50 | |||||||||||
| D5 | Output centering | h7 | 26 | 40 | 60 | 80 | 130 | ||||||||||
| D6 | body diameter | 40 | 60 | 80 | 115 | 170 | |||||||||||
| L1 | Key length | 10 | 15 | 20 | 30 | 45 | |||||||||||
| L2 | Distance from shaft end | 3.5 | 4 | 3 | 5 | 7 | |||||||||||
| L3 | Shaft length from spigot | 17 | 21 | 26 | 40 | 58 | |||||||||||
| L4 | Shaft length from output | 20 | 25 | 30 | 45 | 65 | |||||||||||
| L5 | Body length | 38 | 50.7 | 63.2 | 47 | 60.5 | 74 | 60 | 78.5 | 96 | 74 | 101 | 128.5 | 97 | 136.5 | 177 | |
| L6 | Motor flange length | 10 | 14.5 | 18 | 33.5 | 50 | 60 | 60 | |||||||||
| L7 | Overal lngth | 94 | 106.7 | 119.2 | 121.5 | 135 | 148.5 | 148 | 166.5 | 184 | 207.5 | 234.5 | 262 | 299 | 348.5 | 389 | |
| L8 | Spigot depth | 2 | 3 | 3 | 4 | 5 | |||||||||||
| B1 | Key width | 2 | 3 | 5 | 6 | 10 | |||||||||||
| H1 | Key height | 8.8 | 11.2 | 18 | 22.5 | 38 | |||||||||||
| Z | Orient holes | M3? | M4? | M5?2 | M6?6 | M12?5 | |||||||||||
| Input shaft load | radial | N | 80 | 130 | 230 | 580 | 650 | ||||||||||
| axial | N | 85 | 150 | 260 | 600 | 700 | |||||||||||
Moment of inertia:
| Stages | 1 | 2 | 3 | ||||||||||||||||||||
| Ratio | kgcm2 | 3 | 4 | 5 | 8 | 9 | 12 | 15 | 16 | 20 | 25 | 32 | 40 | 64 | 60 | 80 | 100 | 120 | 160 | 200 | 256 | 320 | 512 |
| EPL40 | 0.018 | 0.01 | 0.006 | 0.005 | 0.017 | 0.016 | 0.015 | 0.009 | 0.007 | 0.007 | 0.005 | 0.005 | 0.005 | 0.015 | 0.007 | 0.007 | 0.013 | 0.005 | 0.005 | 0.005 | 0.005 | 0.005 | |
| EPL60 | 0.08 | 0.048 | 0.037 | 0.027 | 0.087 | 0.085 | 0.039 | 0.049 | 0.039 | 0.038 | 0.027 | 0.027 | 0.025 | 0.039 | 0.039 | 0.039 | 0.016 | 0.016 | 0.016 | 0.016 | 0.016 | 0.016 | |
| EPL90 | 0.73 | 0.35 | 0.24 | 0.18 | 0.73 | 0.36 | 0.72 | 0.35 | 0.25 | 0.25 | 0.18 | 0.08 | 0.16 | 0.35 | 0.28 | 0.7 | 0.18 | 0.18 | 0.18 | 0.18 | 0.16 | 0.16 | |
| EPL120 | 2.3 | 1.85 | 1.42 | 1.4 | 2.5 | 2.4 | 2.4 | 1.65 | 1.6 | 1.4 | 1.4 | 1.3 | 1.3 | 2.2 | 1.6 | 1.4 | 2.2 | 1.5 | 1.3 | 1.3 | 1.2 | 1.2 | |
| EPL160 | 17 | 12.5 | 11 | 9.5 | - | 17 | 17 | 12.3 | 11.7 | 10.8 | 11.4 | 10.3 | 9.5 | - - | - - | \||||||||
Address
Luotuo Industrial Area, Zhenhai District, Ningbo City, China
Tel
