

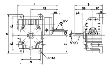
FO | Shaft Direction ![]() |
| SIZE | RATIO | A | AB | B | BB | BC | CB | E1 | E2 | F | G | M | N | Z | INPUT SHAFT | OUTPUT SHAFT | ||||
| HS | U | T×V | LS | S | W×Y | |||||||||||||||
| 80 | 1/80 1/90 1/100 1/120 1/150 1/180 | 317 | 213 | 210 | 140 | 70 | 30 | 130 | 150 | 140 | 20 | 320 | 176 | 15 | 35 | 15 | 5×3 | 65 | 32 | 10×4.5 |
| 100 | 390 | 258 | 245 | 155 | 90 | 40 | 155 | 180 | 190 | 30 | 375 | 226 | 15 | 40 | 18 | 5×3 | 75 | 38 | 10×4.5 | |
| 120 | 437 | 282 | 285 | 185 | 100 | 50 | 185 | 215 | 220 | 30 | 450 | 266 | 18 | 40 | 20 | 5×3 | 85 | 45 | 12×4.5 | |
| 135 | 496 | 321 | 320 | 210 | 110 | 60 | 210 | 235 | 260 | 35 | 495 | 306 | 18 | 50 | 25 | 7×4 | 95 | 55 | 15×5 | |
| 155 | 559 | 367 | 392 | 252 | 140 | 75 | 245 | 295 | 290 | 40 | 590 | 350 | 20 | 60 | 30 | 7×4 | 110 | 60 | 15×5 | |
| 175 | 630 | 407 | 412 | 262 | 150 | 75 | 267 | 323 | 320 | 45 | 640 | 394 | 20 | 75 | 35 | 10×4.5 | 110 | 65 | 18×6 | |
Address
Luotuo Industrial Area, Zhenhai District, Ningbo City, China
Tel
