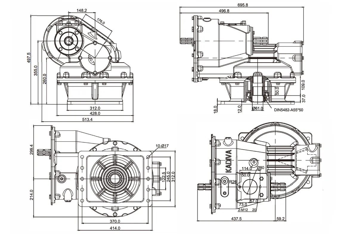
Grader Driven Rake Gearbox RDF-DX300-2 for Powered Harrow
The Grader Driven Rake Gearbox RDF-DX300-2 is an advanced component designed specifically for powered harrows used in agricultural applications. It serves as a critical element in the power transmission system, enabling efficient soil cultivation and preparation. Powered harrows are agricultural implements used for seedbed preparation, weed control, and soil conditioning. They consist of rotating blades or tines mounted on a frame, which work to break up and level the soil, creating an ideal seedbed for crops.


| i | Suitable | Rpm input | Rpm output | KW(Nom) | KW(Max) | Toothing | |
| r/min | r/min | hp | hp | ||||
| Decelerate | 2.47:1 | Powered Harrow | 1000 | 404 | 200 | 3500 | Gleason HelicalTeeth |
| Decelerate | 2.63:1 | 1000 | 380 | 3700 | |||
| Decelerate | 2.04:1 | 850 | 416 | 3400 | |||
| Remark: If you have any special require feel free let me know, we also accept custom. | |||||||


![]() | ![]() |

![]() | ![]() |
![]() | ![]() |
Address
Luotuo Industrial Area, Zhenhai District, Ningbo City, China
Tel
