

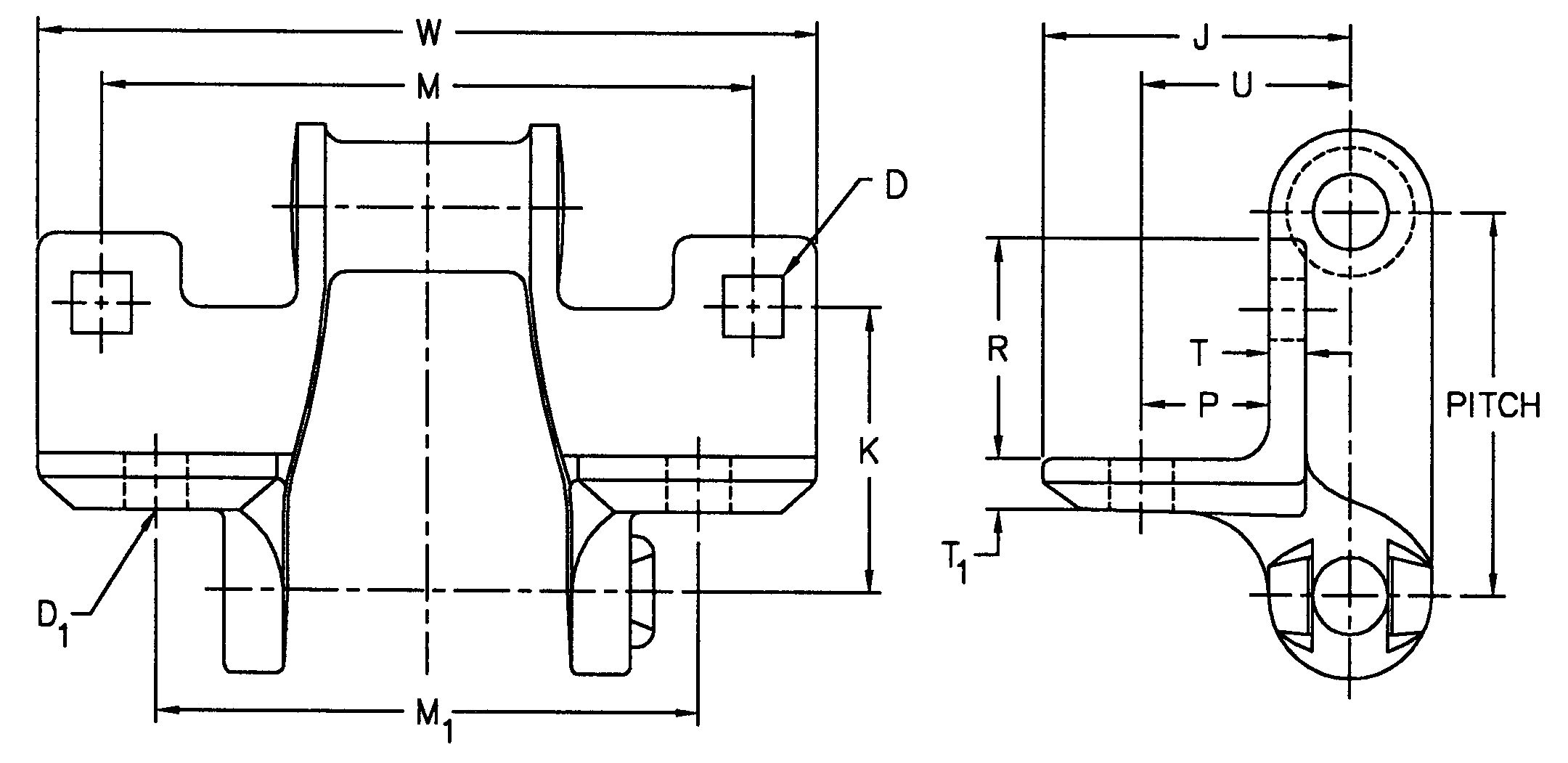
MOLINE ATTACHMENT NO. | PITCH | D | D1 | J | K | M | ||
BOLT DIA. | HOLE DIA. | BOLT DIA. | SQUARE HOLE | |||||
H 74-F4 | 2.609 | 0.31 | 0.34 | 0.38 | 0.41 | 2.12 | 1.94 | 4.12 |
H 78-F4 | 2.609 | 0.38 | 0.41 | 0.38 | 0.41 | 2.12 | 1.94 | 4.50 |



Address
Luotuo Industrial Area, Zhenhai District, Ningbo City, China
Tel
