IEC B14 Face Mounted Stainless Steel Motor -TENV

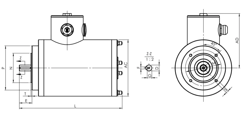
| Frame Type | Flange type | Poles | D | E | F | G | M | N | P | R | S | T | Flange Hole | Shaft Hole | AC | AD |
| 63 | FT75 | 2,4 | 11 | 23 | 4 | 8.5 | 75 | 60 | 90 | 0 | M5 | 2.5 | 4 | M4 | 114 | 117 |
| 71 | FT85 | 2.4.6 | 14 | 30 | 5 | 11 | 85 | 70 | 105 | 0 | M6 | 2.5 | 4 | M5 | 134 | 129 |
| 80 | FT100 | 2.4.6 | 19 | 40 | 6 | 155 | 100 | 80 | 120 | 0 | M6 | 3 | 4 | M6 | 144 | 135 |
| 90S | FT115 | 2.4.6 | 24 | 50 | 8 | 20 | 115 | 95 | 140 | 0 | M8 | 3 | 4 | M8 | 164 | 147 |
| Frame | KW | Mounting | IP |
| 63 | 0.18 | B3, B5, B14, B34, B35 | IP55 |
| 71 | 0.25, 0.37 | ||
| 80 | 0.55, 0.75 | ||
| 90 | 1.1, 1.5 | ||
| 100 | 2.2, 3.0 | ||
| 112 | 4.0 | ||
| 1332 | 5.5, 7.5 |
Drain holes –Easily removable for thorough drainage in any mounting positionWindings engineered for durability – Epoxy-encapsulated system prevents any water and moisture from reaching the windings and seals the lead entrance to the terminal box. High tec seal systems for IP69 protection.Food grade lubricant – Lubricants suitable for food environments (H1) to avoid potential contamination and maximize food safety.Tight and sealed terminal box – Prevents water from entering. The rotatable cover allows to adjust cable entry in all directions.Cooling – Sizes 71 to 90 without a cooling fan, sizes 100 to 132 with the cooling fan.Stainless steel housing – Smooth, round AISI304 stainless steel housing for easy cleaning.Rating plate data – Laser etched onto the frame eliminates contamination trapped beneath traditional rating plates.Precision die-cast aluminum rotor – Precision balanced and coated with an epoxy primer to resist corrosion.Stainless steel shaft – Prevents rust and corrosion![]() | ![]() | ![]() | ![]() |
| Stainless steel permanent magnet motor | Water-cooled stainless steel motor | Food industry electric motor | Stainless steel motor |
![]() | ![]() | ![]() | ![]() |
| IEC emulsified food machinery AC motor | NEMA 56C asynchronous motor | IEC stainless steel AC motor | IEC all stainless steel high-efficiency motor |
![]() | ![]() | ![]() | |
| Chicken and duck depilation equipment motor | NEMA food-grade stainless steel motor | Food-grade IEC stainless steel motor |
In order to ensure reliable consumer protection, the design requirements for food and pharmaceutical machinery have always been high. All components in the machine must also meet these requirements.Since its establishment, Georgii Kobold has continuously developed stainless steel servo motors, gear motors, and torque motors with hygienic designs. A comprehensive range of products can be used with corrosive and effective cleaners and disinfectants as well as high-pressure cleaners to achieve CIP.Address
Luotuo Industrial Area, Zhenhai District, Ningbo City, China
Tel
