KHBG Series SAE Flange Ball Valves
KHBG Series SAE Flange Ball Valves are a type of industrial valves designed for high-pressure applications. These valves are specifically built with a flanged connection conforming. SAE flange connections are widely used in hydraulic systems due to their reliability and ability to handle high pressures. They provide a secure and leak-free connection, ensuring the efficient operation of hydraulic machinery.The KHBG Series SAE Flange Ball Valves feature a ball with a hole in the middle that can be rotated to control the flow of fluid through the valve. When the ball is aligned with the valve body, the fluid can flow freely, and when it is rotated 90 degrees, the flow is blocked. This simple yet effective design allows for quick and precise control of fluid flow, making them suitable for various applications.These ball valves are typically made from high-quality materials such as stainless steel or carbon steel to withstand high pressures and ensure durability. They are available in different sizes and pressure ratings to accommodate different system requirements. The SAE flange connection of these valves makes them easy to install and connect to hydraulic systems. They provide a secure and robust connection, minimizing the risk of leaks and ensuring efficient operation.KHBG Series SAE Flange Ball Valves are commonly used in hydraulic systems, industrial machinery, and other applications where reliable and precise control of fluid flow is essential. They are known for their durability, high performance, and ability to handle demanding operating conditions. When selecting a KHBG Series SAE Flange Ball Valve, it is essential to consider factors such as the operating pressure, temperature, and compatibility with the fluid being used. Proper installation and regular maintenance can help ensure the long-term performance and reliability of these valves.
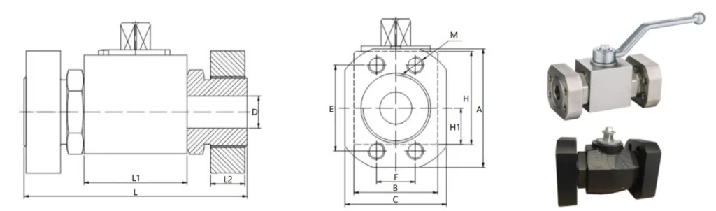
![]() | Item | Name | Material | |
| Stainless Steel | Carbon Steel | |||
| 1 | Fittings | SS 316 / SS 304 | A105 / 45# | |
| 2 | Flange | SS 316 / SS 304 | A105 / 45# | |
| 3 | O-ring | FKM | NBR | |
| 4 | Packing | POM / PEEK | POM | |
| 5 | Stem | SS 316 / SS 304 | A105 / 45# | |
| 6 | O-ring | FKM | NBR | |
| 7 | stop Pin | SS 316 / SS 304 | A105 / 45# | |
| 8 | Washer | SS 316 / SS 304 | A105 / 45# | |
| 9 | Body | SS 316 / SS 304 | A105 / 45# | |
| 10 | Ball | SS 316 / SS 304 | A105 / 45# | |

| Part NO. | Flange Size | DN | Dimension(mm) | ||||||||||||
| D | L | L1 | L2 | E | F | B | H | A | C | H1 | M | ||||
| KHBG-F3-13 | 1/2” | 15 | 15 | 104 | 48 | 15 | 38.1 | 17.5 | 38 | 46 | 54 | 46 | 19 | M8 | |
| KHBG-F3-20 | 3/4” | 20 | 19 | 121 | 60 | 18 | 47.6 | 22.3 | 48 | 56 | 65 | 52 | 24 | M10 | |
| KHBG-F3-25 | 1” | 25 | 24 | 133 | 64 | 18 | 52.4 | 26.2 | 58 | 63 | 70 | 59 | 29 | M10 | |
| KHBG-F3-32 | 1.1/4” | 32 | 30 | 163 | 72 | 18 | 58.7 | 30.2 | 68 | 75 | 79 | 73 | 34 | M10 | |
| KHBG-F3-40 | 1.1/2” | 40 | 38 | 168 | 80 | 18 | 69.9 | 35.6 | 80 | 86 | 94 | 83 | 40 | M12 | |
| KHBG-F3-50 | 2” | 50 | 46 | 186 | 96 | 25 | 77.8 | 42.9 | 96 | 102 | 102 | 97 | 48 | M12 | |
| KHBG-F3-65/50 | 2.1/2” | 50 | 46 | 174 | 96 | 25 | 88.9 | 50.8 | 96 | 102 | 114 | 109 | 48 | M12 | |
| Part NO. | Flange Size | DN | Dimension(mm) | ||||||||||||
| D | L | L1 | L2 | E | F | B | H | A | C | H1 | M | ||||
| KHBG-F6-13 | 1/2” | 15 | 15 | 104 | 48 | 16 | 40.5 | 18.2 | 38 | 46 | 56 | 48 | 19 | M8 | |
| KHBG-F6-20 | 3/4” | 20 | 19 | 121 | 60 | 18 | 50.8 | 23.8 | 48 | 56 | 71 | 60 | 24 | M10 | |
| KHBG-F6-25 | 1” | 25 | 24 | 133 | 64 | 24 | 57.2 | 27.8 | 58 | 63 | 81 | 70 | 29 | M12 | |
| KHBG-F6-32 | 1.1/4” | 32 | 30 | 163 | 72 | 26 | 66.6 | 31.8 | 68 | 75 | 95 | 78 | 34 | M14 | |
| KHBG-F6-40 | 1.1/2” | 40 | 38 | 168 | 80 | 28 | 79.3 | 36.5 | 80 | 86 | 113 | 95 | 40 | M16 | |
| KHBG-F6-50 | 2” | 50 | 46 | 186 | 96 | 30 | 96.8 | 44.5 | 96 | 102 | 133 | 114 | 48 | M20 | |
KHBG Series SAE Flange Ball Valves are a type of hydraulic ball valve that is designed for use in high-pressure hydraulic applications. They are made with a variety of features that make them ideal for these demanding environments, including:
1. SAE Flange Connection: SAE flanges are a type of flange that is specifically designed for use in hydraulic systems. They are strong and durable, and they provide a tight seal between the valve and the pipe.2. High-Pressure Rating: KHBG Series SAE Flange Ball Valves are rated for high pressures, making them ideal for use in a variety of hydraulic applications.3. Wide Temperature Range: KHBG Series SAE Flange Ball Valves can be used in a wide range of temperatures, making them suitable for use in a variety of environments.4. Variety of Materials: KHBG Series SAE Flange Ball Valves are available in a variety of materials, including carbon steel, stainless steel, and brass. This allows users to choose the right valve for their specific application.5. Durable Construction: KHBG Series SAE Flange Ball Valves are built with durable materials and construction methods. This makes them ideal for use in demanding environments.6. Low Torque Operation: KHBG Series SAE Flange Ball Valves require very little torque to operate. This makes them easy to open and close, even under high pressure.7. Tight Sealing: KHBG Series SAE Flange Ball Valves provide a tight seal between the ball and the valve body. This prevents leakage and ensures reliable operation.8. Versatility: KHBG Series SAE Flange Ball Valves can be used in a variety of hydraulic applications, including industrial, mobile, and construction equipment.Overall, KHBG Series SAE Flange Ball Valves are a high-quality and reliable choice for a variety of hydraulic applications. They offer a number of advantages, including high-pressure rating, wide temperature range, variety of materials, durable construction, low torque operation, tight sealing, and versatility.


Address
Luotuo Industrial Area, Zhenhai District, Ningbo City, China
Tel
