Male Connector-GE-NPT Hydraulic Fittings
Male Connector-GE-NPT Hydraulic Fittings are a type of hydraulic fitting that is used to connect two male NPT threads. They are typically made of brass or steel and have a hexagonal head that allows them to be tightened with a wrench. Male Connector-GE-NPT Hydraulic Fittings are available in a variety of sizes and pressure ratings, making them suitable for a wide range of applications.
Here are the key features of Male Connector-GE-NPT Hydraulic Fittings:


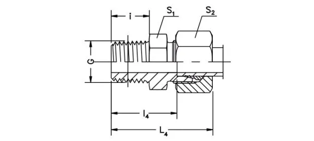
| GE-NPTPart NO. | Series WorkingPressure(bar/psi) | Tube O.d. | GMale thread NPT | i | l4 | L4 | S1 | S2 |
| -GE04LL1/8NPT | LL Very light 100 bar1450 psi | 4 | 1/8-27 NPT | 10 | 18.5 | 28 | 11 | 10 |
| -GE06LL1/8NPT | 6 | 1/8-27 NPT | 10 | 16.5 | 28 | 11 | 12 | |
| -GE08LL1/8NPT | 8 | 1/8-27 NPT | 10 | 18.5 | 30 | 12 | 14 | |
| -GE06L1/8NPT | L Light 315 bar 4560psi | 6 | 1/8-27 NPT | 10 | 17 | 32 | 12 | 14 |
| -GE06L1/4NPT | 6 | 1/4-18 NPT | 15 | 23 | 38 | 17 | 14 | |
| -GE08L1/4NPT | 8 | 1/4-18 NPT | 15 | 23 | 38 | 17 | 17 | |
| -GE10L1/4NPT | 10 | 1/4-18 NPT | 15 | 24 | 39 | 17 | 19 | |
| -GE10L3/8NPT | 10 | 3/8-18 NPT | 15.3 | 25 | 40 | 19 | 19 | |
| -GE12L1/4NPT | 12 | 1/4-18 NPT | 15 | 25 | 40 | 19 | 22 | |
| -GE12L3/8NPT | 12 | 3/8-18 NPT | 15.3 | 25 | 40 | 19 | 22 | |
| -GE12L1/2NPT | 12 | 1/2-14 NPT | 20 | 30 | 45 | 22 | 22 | |
| -GE15L1/2NPT | 15 | 1/2-14 NPT | 20 | 31 | 46 | 24 | 27 | |
| -GE18L1/2NPT | 18 | 1/2-14 NPT | 20 | 31.5 | 48 | 27 | 32 | |
| -GE22L3/4NPT | 160bar 2320psi | 22 | 3/4-14 NPT | 20 | 33.5 | 50 | 32 | 36 |
| -GE28L1NPT | 28 | 1-11.5 NPT | 25 | 39.5 | 56 | 41 | 41 | |
| -GE35L11/4NPT | 35 | 1 1/4-11.5 NPT | 25.5 | 40.5 | 62 | 46 | 50 | |
| -GE42L11/2NPT | 42 | 1 1/2-11.5 NPT | 26 | 42 | 65 | 55 | 60 | |
| -GE06S1/4NPT | S heavy 630bar 9130psi | 6 | 1/4-18 NPT | 15 | 28 | 43 | 17 | 17 |
| -GE08S1/4NPT | 8 | 1/4-18 NPT | 15 | 28 | 43 | 17 | 19 | |
| -GE10S1/4NPT | 10 | 1/4-18 NPT | 15 | 27.5 | 44 | 19 | 22 | |
| -GE10S3/8NPT | 10 | 3/8-18 NPT | 15.3 | 27.5 | 44 | 19 | 22 | |
| -GE12S1/4NPT | 12 | 1/4-18 NPT | 15 | 29.5 | 46 | 22 | 24 | |
| -GE12S3/8NPT | 12 | 3/8-18 NPT | 15.3 | 29.5 | 46 | 22 | 24 | |
| -GE12S1/2NPT | 12 | 1/2-14 NPT | 20 | 34.5 | 51 | 22 | 24 | |
| -GE14S1/2NPT | 14 | 1/2-14 NPT | 20 | 36 | 54 | 24 | 27 | |
| -GE16S1/2NPT | 400bar 5800psi | 16 | 1/2-14 NPT | 20 | 35.5 | 54 | 27 | 30 |
| -GE20S3/4NPT | 20 | 3/4-14 NPT | 20 | 37.5 | 59 | 32 | 36 | |
| -GE25S1NPT | 25 | 1-11.5 NPT | 25 | 45 | 69 | 41 | 46 | |
| -GE30S11/4NPT | 30 | 1 1/4-11.5 NPT | 25.5 | 46.5 | 73 | 46 | 50 | |
| -GE38S11/2NPT | 315bar4560psi | 38 | 1 1/2-11.5 NPT | 26 | 49 | 80 | 55 | 56 |
![]() | ![]() |

Address
Luotuo Industrial Area, Zhenhai District, Ningbo City, China
Tel
