
NK | NDKO | NDKO Shaft Direction![]() |
![]() | ![]() |
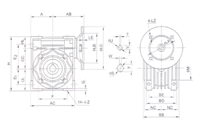
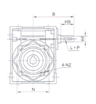
| SIZE | KW | RATIO | A | AB | AC | B | BB | BC | BD | BE | CC | E1 | E2 | F | G | H | LL | M | N | NC | NZ | Z |
| 40 | 0.18 | 1/5 1/10 1/15 1/20 1/25 1/30 1/40 1/50 1/60 1/80 | 50 | 70 | 100 | 83 | 78 | 67 | 71 | 60 | 40 | 35 | 55 | 70 | 6.5 | 121.5 | 50 | 60 | 75 | 36.5 | M6×8 | 6.5 |
| 0.37 | ||||||||||||||||||||||
| 50 | 0.37 | 60 | 80 | 120 | 104 | 92 | 90 | 85 | 70 | 50 | 40 | 64 | 80 | 7 | 144 | 60 | 70 | 85 | 43.5 | M8×10 | 8.5 | |
| 0.75 | ||||||||||||||||||||||
| 63 | 0.55 | 72 | 95 | 144 | 130 | 112 | 82 | 103 | 85 | 63 | 50 | 80 | 100 | 8 | 174 | 72 | 80 | 95 | 53 | M8×14 | 8.5 | |
| 1.10 | ||||||||||||||||||||||
| 75 | 0.75 | 86 | 112.5 | 172 | 155 | 120 | 111 | 112 | 90 | 75 | 60 | 93 | 120 | 10 | 205 | 86 | 95 | 115 | 57 | M8×14 | 11 | |
| 1.50 | ||||||||||||||||||||||
| 90 | 1.10 | 103 | 129.5 | 206 | 175 | 140 | 111 | 130 | 100 | 90 | 70 | 102 | 140 | 11 | 238 | 103 | 110 | 130 | 67 | M10×8 | 13 | |
| 3.00 |
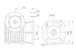
| SIZE | KW | Input Shaft | Input Flange Input Hole | Output Flange and Output Hole | ||||||||||||||||
| HS | d | L×P | LA | LB | LC | LE | LZ | U | T×V | KA | KB | KC | KD | KE | KG | KZ | S | W×Y | ||
| 40 | 0.18 | 23 | 11 | 4×2.5 | 115 | 95 | 140 | 4 | 9 | 11 | 4×12.8 | 87 | 60 | 110 | 95 | 4 | 7 | 9 | 18 | 6×20.8 |
| 0.37 | 130 | 110 | 160 | 4.5 | 14 | 5×16.3 | ||||||||||||||
| 50 | 0.37 | 30 | 14 | 5×13 | 130 | 110 | 160 | 4.5 | 9 | 14 | 5×16.3 | 90 | 70 | 125 | 110 | 5 | 9 | 11 | 25 | 8×28.3 |
| 0.55 | 165 | 130 | 200 | 11 | 9 | 6×21.8 | ||||||||||||||
| 63 | 0.55 | 40 | 19 | 6×3.5 | 165 | 130 | 200 | 4.5 | 11 | 19 | 6×21.8 | 150 | 115 | 180 | 142 | 6 | 10 | 11 | 25 | 8×28.3 |
| 1.10 | 24 | 8×27.3 | ||||||||||||||||||
| 75 | 0.75 | 50 | 24 | 8×4 | 165 | 130 | 200 | 4.5 | 11 | 19 | 6×21.8 | 165 | 130 | 200 | 170 | 6 | 13 | 14 | 28 | 8×31.3 |
| 1.50 | 24 | 8×27.3 | ||||||||||||||||||
| 90 | 1.10 | 50 | 24 | 8×4 | 165 | 130 | 200 | 4.5 | 11 | 24 | 8×27.3 | 175 | 152 | 210 | 200 | 6 | 13 | 14 | 35 | 10×38.3 |
Address
Luotuo Industrial Area, Zhenhai District, Ningbo City, China
Tel
