One Piece Mountable Shaft Collars (Shaft Clamps) with OD Flats and Holes Inch Series
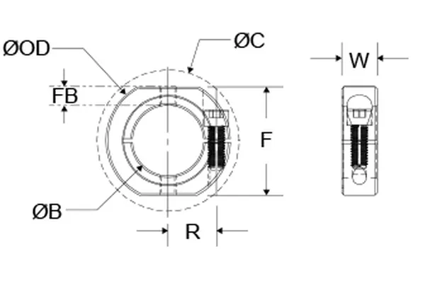
The inch series one piece mountable shaft collar with od flats and holes is a type of shaft collar that is used to mount components to a shaft. It has two flats on the outer diameter (OD) that can be used to mount the collar to a base plate or other structure. The mountable shaft collar also has a number of holes that can be used to secure it with bolts or screws.The inch series one piece mountable shaft collar with od flats and holes is available in a variety of sizes and materials to meet the needs of different applications. It is made of high-quality materials and is designed to be strong and durable. If you are looking for a strong, durable, and easy-to-use shaft collar for mounting components to a shaft, the inch series one piece mountable shaft collar with od flats and holes is a great option.![]() | ![]() |
![]() | ![]() |
| Part Number Steel | Part Number Aluminum | Part Number Stainless Steel | Bore (B) (in) | Outer Diameter (OD) (in) | Width (W) (in) | Flat to Bore FB (in) | Distance Across Flats (F) (in) |
|---|---|---|---|---|---|---|---|
| OF-CL-6-F | OF-CL-6-A | OF-CL-6-SS | 0.3750 in | 7/8 in | 0.343 in | 0.18 in | 0.750 in |
| OF-CL-8-F | OF-CL-8-A | OF-CL-8-SS | 0.5000 in | 1 1/8 in | 0.406 in | 0.25 in | 1.000 in |
| OF-CL-10-F | OF-CL-10-A | OF-CL-10-SS | 0.6250 in | 1 5/16 in | 0.437 in | 0.28 in | 1.188 in |
| OF-CL-12-F | OF-CL-12-A | OF-CL-12-SS | 0.7500 in | 1 1/2 in | 0.500 in | 0.28 in | 1.313 in |
| OF-CL-16-F | OF-CL-16-A | OF-CL-16-SS | 1.0000 in | 1 3/4 in | 0.500 in | 0.28 in | 1.563 in |
| OF-CL-20-F | OF-CL-20-A | OF-CL-20-SS | 1.2500 in | 2 1/16 in | 0.500 in | 0.31 in | 1.875 in |
| OF-CL-24-F | OF-CL-24-A | OF-CL-24-SS | 1.5000 in | 2 3/8 in | 0.563 in | 0.34 in | 2.188 in |
| OF-CL-28-F | OF-CL-28-A | OF-CL-28-SS | 1.7500 in | 2 3/4 in | 0.688 in | 0.4 in | 2.563 in |
| OF-CL-32-F | OF-CL-32-A | OF-CL-32-SS | 2.0000 in | 3 in | 0.688 in | 0.4 in | 2.813 in |
![]() | ![]() |
| Mountable Shaft Collars | Keyed Shaft Collars |
| Feature | Mountable Shaft Collar | Keyed Shaft Collar |
|---|---|---|
| Installation | Easy to install and remove | More difficult to install |
| Holding power | Lower holding power | Higher holding power |
| Cost | Less expensive | More expensive |
| Versatility | More versatile | Less versatile |

Address
Luotuo Industrial Area, Zhenhai District, Ningbo City, China
Tel
