

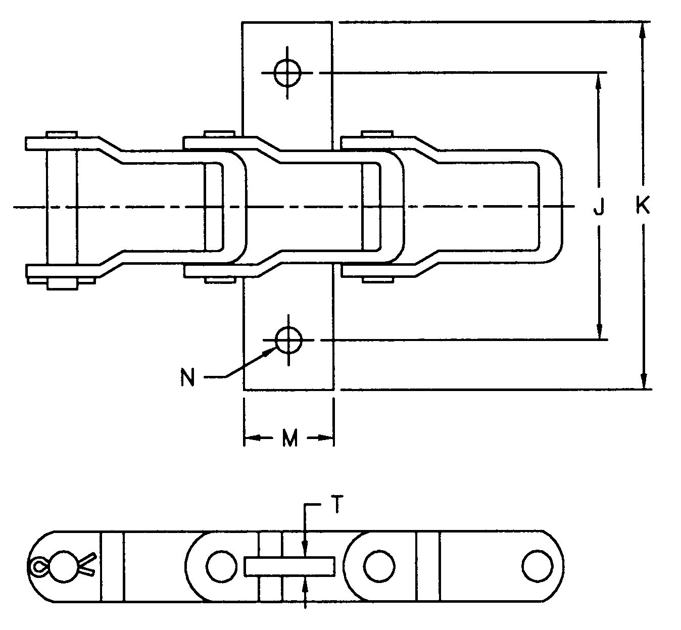
Att. No. | Chain No. | Dimensions | ||||
J | K | M | N | T | ||
KS | AL662 | 2.750 | 3.781 | .938 | .266 | .188 |
KS | AL667H | 4.063 | 5.188 | 1.125 | .328 | .250 |
KS | AL667X | 4.063 | 5.375 | 1.125 | .328 | .313 |
KS | AL667XH | 4.063 | 5.456 | 1.250 | .391 | .375 |
KS | AL88XH | 4.063 | 5.750 | 1.250 | .391 | .375 |
Address
Luotuo Industrial Area, Zhenhai District, Ningbo City, China
Tel
