Plastic Bevel Gears
This type of gear has a conical shape with straight or spiral-cut teeth. Plastic bevel gears transfer motion between two axles that are intersecting, changing the rotation axis. These types of gear are mostly utilized in power tools and automotive applications. On all designs, the spiral cut version can be smoother and less noisy than other designs.The positive characteristics of plastic bevel gear include being lightweight, non-rusting, quiet, injection molding enabling low cost and large production, and able to operate without lubrication by mating with metal gears. On the other hand, low strength, tendency to hold heat, large dimensional change including backlash compared to metal, etc., are some of the points requiring caution. The degree of dimensional changes that occur with plastic bevel gear depends on the ability to resist temperature change, moisture absorption rate, and chemical resistance.As far as the applications of plastic bevel gear set, they are used in varying industries such as food production machines, consumer electronics, chemical, toy, and medical equipment industries.
![]() | ![]() |
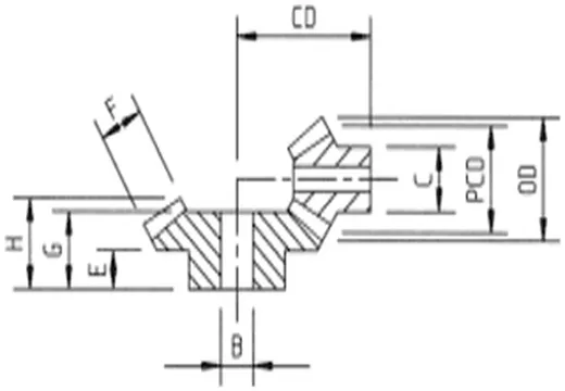
| Part no(Link) | Pitch(mod) | No.ofTeeth | All dimensions in mm | BrassInsertandSetScrew | ||||||||
|---|---|---|---|---|---|---|---|---|---|---|---|---|
| OutsideDia. | PitchDia. | BoreDia."B" | 'CD' | Hubdia 'C' | BossLength 'E' | ToothWidth 'F' | Length'G' | Length'H' | ||||
| 1:1 Ratio | ||||||||||||
| GB05M016 | 0.5 | 16 | 8.7 | 8.0 | 3.0 | 10.5 | 7.0 | 6.0 | 2.0 | 8.0 | 8.0 | |
| GB1M016 | 1 | 16 | 17.6 | 16 | 5.0 | 18.4 | 12.0 | 8.0 | 4.7 | 13.6 | 13.6 | |
| GB1M016BS | 1 | 16 | 17.6 | 16 | 5.0 | 18.4 | 16.0 | 8.0 | 4.7 | 13.6 | 13.6 | ![]() |
| 2:1 Ratio | ||||||||||||
| GB1M215030 | 1 | 15 | 16.8 | 15.0 | 5.0 | 26.4 | 12.2 | 10.6 | 6.6 | 17.0 | 17.0 | |
| 30 | 31.1 | 30.0 | 8.0 | 20.9 | 18.0 | 9.1 | 6.6 | 14.8 | 16.2 | |||
| GB1M215030BS | 1 | 15 | 16.8 | 15.0 | 5.0 | 26.4 | 16.0 | 10.6 | 6.6 | 17.0 | 17.0 | ![]() |
| 30 | 31.1 | 30.0 | 4.0 | 20.9 | 18.0 | 9.1 | 6.6 | 14.8 | 16.2 | ![]() | ||
| 3:1 Ratio | ||||||||||||
| GB1M315045 | 1 | 15 | 16.6 | 15.0 | 5.0 | 34.3 | 12.3 | 11.0 | 9.2 | 20.4 | ||
| 45 | 46.1 | 45.0 | 10.0 | 22.7 | 23.4 | 9.6 | 9.2 | 16.5 | 18.2 | |||
| GB1M315045BS | 1 | 15 | 16.6 | 15.0 | 5.0 | 34.3 | 16.0 | 11.0 | 9.2 | 20.4 | ![]() | |
| 45 | 46.1 | 45.0 | 6.0 | 22.7 | 23.4 | 9.6 | 9.2 | 16.5 | 18.2 | ![]() | ||
| 4:1 Ratio | ||||||||||||
| GB1M410040 | 1 | 10 | 12.0 | 10.0 | 4.0 | 30.1 | 7.8 | 9.3 | 8.2 | 17.7 | ||
| 40 | 40.8 | 40.0 | 10.0 | 20.1 | 23.4 | 10.8 | 8.2 | 15.7 | 17.0 | |||
| GB1M410040BS | 1 | 10 | 12.0 | 10.0 | 4.0 | 30.1 | 12.7 | 9.3 | 8.2 | 17.7 | ![]() | |
| 40 | 40.8 | 40.0 | 6.0 | 20.1 | 23.4 | 10.8 | 8.2 | 15.7 | 17.0 | ![]() | ||
| 5:1 Ratio | ||||||||||||
| GB1M512060 | 1 | 12 | 13.7 | 12.0 | 4.0 | 40.5 | 9.5 | 10.0 | 9.5 | 20.3 | ||
| 60 | 60.4 | 60 | 10.0 | 21.0 | 20.5 | 11.0 | 9.5 | 15.5 | 17.4 | |||
| GB1M512060BS | 1 | 12 | 13.7 | 12.0 | 4.0 | 40.5 | 14.3 | 10.0 | 9.5 | 20.3 | ![]() | |
| 60 | 60.4 | 60 | 6.0 | 21.0 | 20.5 | 11.0 | 9.5 | 15.5 | 17.4 | ![]() | ||
| GB1M512* | 1 | 12 | 13.7 | 12.0 | 4.0 | 40.5 | 9.5 | 10.0 | 9.5 | 20.3 | ||
| GB1M512BS* | 1 | 12 | 13.7 | 12.0 | 4.0 | 40.5 | 14.3 | 10.0 | 9.5 | 20.3 | ![]() | |
| *NB: These gears match with 60 tooth bevel gear only. Their geometry is not compatible with other gears. | ||||||||||||
Plastic Bevel Gear | |
| Dimension | Φ3mm- Φ120mm |
| Module | M0.15, M0.2, M0.25-M0.8, M0.8<M<M1.0M1.5<M<M2.0 |
| Material Type | POM, PA, PPA, PBT PEEK as Customized |
| Meshing Grade | GB 6, ISO 6, JGMA 1, JIS 6, AGMA 13, DIN 6,DIN5 |
| Application | Medical, Industrial, Automotive, Military, Aircraft, Mechanical, Auto |
| Customized | ODM/OEM |
| Sample | Sample available |
| Modes of Packing | Vacuum-packed with Plastic Tray |
| Modes of Delivery | DHL & TNT & FedEx & UPS |
| Certificate | ISO 9001: 2008/TS16949 |
![]() | ![]() |

Address
Luotuo Industrial Area, Zhenhai District, Ningbo City, China
Tel
