Plastic Conveyor Chains with Base Roller Chains (Spiral Conveyor Systems) offer the following features and advantages:Space-saving design: Spiral Conveyor Systems occupy less floor space compared to traditional straight-line conveyors. They allow for vertical or inclined transportation, making them ideal for applications where space is limited or a compact footprint is desired.Continuous material flow: The spiral configuration ensures a continuous flow of materials without the need for transfers or elevation changes. This results in a smooth and efficient material handling process, minimizing disruptions and optimizing production throughput.Gentle handling of delicate products: Plastic Conveyor Chains with Base Roller Chains offer gentle and non-abrasive transportation of delicate or fragile products. The low friction between the plastic chains and the materials being conveyed helps prevent damage or scratching during the transport process.Customizable and versatile: Spiral Conveyor Systems can be customized to meet specific application requirements. They offer flexibility in terms of conveying height, speed, and direction. The modular design allows for easy integration with existing production lines or the ability to expand the system as needed.Plastic Conveyor Chains with Base Roller Chains (Spiral Conveyor Systems) find applications in various industries, including:Food and beverage industry: These systems are commonly used for vertical transportation of packaged goods, bottles, cans, boxes, and other food and beverage products. They are suitable for applications such as elevating products between different production levels, cooling or freezing processes, and accumulating or buffering materials.Packaging industry: Spiral Conveyor Systems are utilized in packaging lines for the vertical or inclined transport of boxes, cartons, and other packaged goods. They can be integrated into case packing, palletizing, or sorting operations, enhancing efficiency and optimizing space utilization.Manufacturing and assembly: These conveyor systems are employed in manufacturing and assembly processes for the vertical or inclined movement of components, parts, or products. They can be used for tasks such as product indexing, accumulation, or transfer between different workstations.Warehousing and logistics: Spiral Conveyor Systems are beneficial in warehousing and logistics operations where vertical or inclined transportation is required. They can efficiently move items between different levels of a warehouse, such as mezzanines, picking stations, or loading docks.Pharmaceutical and chemical industries: These systems are suitable for transporting containers, vials, or other packaged products in vertical or inclined configurations. They can be used in pharmaceutical manufacturing, chemical processing, or laboratory environments.
Customization options for Plastic Conveyor Chains with Base Roller Chains (Spiral Conveyor Systems) include:Size and dimension adaptation: Customize the size and dimension of the chains to fit specific space constraints and material transport requirements. This includes chain width, chain link shape and size, chain plate spacing, and more.Conveying capacity and speed: Customize the load capacity and conveying speed of the chains based on the type, weight, and speed requirements of the materials being transported. This may involve selecting the appropriate chain material, chain link design, and base roller chain specifications.Conveying direction and layout: Customize the conveying direction and layout of the chains based on the specific application scenario. This may involve determining the direction, angle, and height of the spiral conveying path.Antistatic and chemical resistant options: If the application environment demands, chains with antistatic properties or chemical resistance can be customized to ensure safe and durable usage.Installation:Preparation: Before installation, read the product installation manual and prepare the necessary tools and equipment.Positioning and measurement: Determine the installation location and size of the spiral conveyor system according to actual requirements. Use measuring tools to accurately measure and mark the required position and size.Frame and support installation: Install the frame and supports of the spiral conveyor system according to the manufacturer's instructions. Ensure that they are stable and level.Chain and base roller chain installation: Install the chain and base roller chain according to the product instructions. Ensure that the chains are properly aligned and fixed to the sprockets and rollers.Adjustment and testing: After installation is completed, check the alignment and tightness of the chains. Conduct a test run, observe the operation of the chains and the material transfer effect.Maintenance:Regular maintenance of Plastic Conveyor Chains with Base Roller Chains (Spiral Conveyor System) can ensure their normal operation and prolong their service life. Here are some maintenance suggestions:Clean the chains: Regularly clean the chains to remove dirt, dust, and impurities. Use appropriate cleaning agents and tools, and clean according to the manufacturer's recommendations.Lubricate the chains: Regularly lubricate the chains to reduce friction and wear. Use appropriate lubricants and ensure that the chain surface is evenly coated.Check for wear and damage: Regularly check the wear of the chains and base roller chains. If damaged, worn, or loose parts are found, repair or replace them in a timely manner.Adjustment and alignment: Regularly check the alignment and tightness of the chains. Adjust and align as necessary to ensure the normal operation of the chains and the smooth transfer of materials.Regular maintenance: Establish a regular maintenance plan according to the manufacturer's recommendations. Carry out preventive maintenance, check and maintain the chains to extend their service life and maintain good operational status.We also provide matching base roller chains.
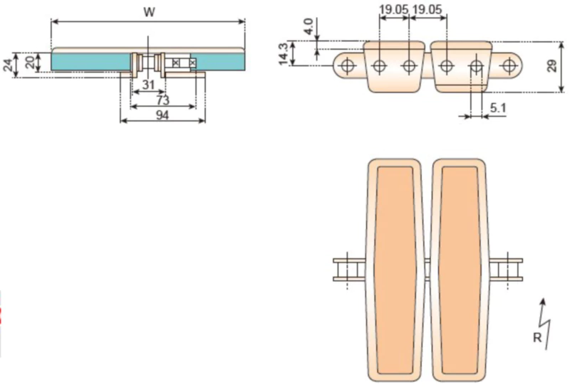
We offer sprockets that are compatible with Plastic Conveyor Chains with Base Roller Chains. Sprockets are vital for the proper operation of the conveyor system. They engage with the chain to create the necessary helical conveying path. We offer a range of sprockets that are designed to work seamlessly with our conveyor chains.
Sprockets are critical components that help Plastic Conveyor Chains with Base Roller Chains function properly. They are designed to engage with the chain links to create a smooth, continuous conveying path. Compatible sprockets are available in a variety of sizes and materials to meet specific application requirements.
In addition to Plastic Conveyor Chains with Base Roller Chains, we also offer other chain products, such as plastic chains, stainless steel chains, agricultural chains, leaf chains, and more.At Raydafon, we are committed to providing high-quality products and services to our customers. We have been in business since 2003 and have a team of experienced professionals who are dedicated to delivering top-notch solutions. We have invested in advanced production and testing equipment, including CNC Gear grinding machines, gear measuring machines, CNC gear shapers, machine centers, CMMS, and torque test systems.Our company is certified to ISO 9001, ensuring that our products and processes meet strict quality standards. We offer customized services tailored to meet the specific needs of our customers. From product design to manufacturing and installation, we work closely with our clients to deliver solutions that exceed their expectations.We pride ourselves on our commitment to customer satisfaction and offer excellent after-sales service and support. We welcome all customers to inquire about our products and services and look forward to working with you.FAQ:1. What materials are Plastic Conveyor Chains with Base Roller Chains made of?- Plastic Conveyor Chains with Base Roller Chains can be made of carbon steel or stainless steel. The plastic chain links are typically made of high-strength, wear-resistant materials.2. What industries are Plastic Conveyor Chains with Base Roller Chains commonly used in?- Plastic Conveyor Chains with Base Roller Chains are commonly used in industries such as food and beverage, packaging, manufacturing and assembly, warehousing and logistics, pharmaceutical, and chemical.3. What customization options are available for Plastic Conveyor Chains with Base Roller Chains?- Customization options for Plastic Conveyor Chains with Base Roller Chains include size and dimension adaptation, conveying capacity and speed, conveying direction and layout, and antistatic and chemical resistant options.4. What is the role of sprockets in the operation of Plastic Conveyor Chains with Base Roller Chains?- Sprockets are critical components that engage with the chain links to create the necessary helical conveying path. They help ensure the proper operation of Plastic Conveyor Chains with Base Roller Chains.5. What makes Raydafon stand out as a provider of conveyor chain products?- Raydafon is committed to providing high-quality products and services to our customers. We have a team of experienced professionals and advanced production and testing equipment. We offer customized solutions tailored to meet the specific needs of our customers and excellent after-sales service and support.Address
Luotuo Industrial Area, Zhenhai District, Ningbo City, China
Tel
