Rotary Tiller Gearboxes - Replacement of Comer Code TB-22C
A rotary tiller gearbox TB-22C is a mechanical device that is used in rotary tillers or cultivators. The rotary tiller gearbox transfers power from the tractor to the rotary tiller blades to control the speed and torque of the blades, providing the necessary force to break up and loosen the soil. The rotary tiller gearbox typically includes a series of gears and shafts that are designed to handle the high torque requirements of the rotary tiller. The rotary tiller gearbox TB-22C can be driven by a power take-off (PTO) drive shaft connected to the tractor. It is an essential component of rotary tillers that improves efficiency and productivity in farming operations.![]() | ![]() |

| Description | Rotary Tiller Gearboxes - Replacement of Comer Gearbox TB-22C |
|---|---|
| Application |
|
| Consists of |
|
| Technical information |
|
| Contains oil | No |
| Capacity and oil type | 3,3 GL-5 80W-90 l |
| Gear arrangement Increasing | 23 - 24 |
| Gear arrangement Reducing | 3 - 4 |
| Input power kW / HP Increasing | 72.1 / 98 kW/HP |
| Input | 540 r/min |
| Input shaft Increasing | Y |
| Input shaft Reducing | Z |
| Material housing | Cast iron GG25 |
| Input power KW / HP Reducing | 60.4 / 82 kW/HP |
| Output Torque DaNm | 199.9 daNm |
| Output Torque DaNm Increasing | 64 daNm |
| Oil | 500 h |
| Ratio Increasing | 1: 1.93 |
| Ratio Reducing | 1.93: 1 |
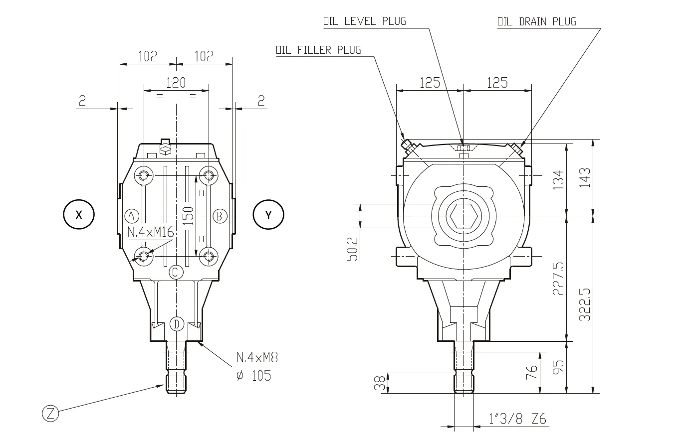
| Shaft Y | 1 3/8" (6) (B) |
| Shaft Z | 1 3/8" (6) (D) |
| Weight | 31.5 kg |


![]() | ![]() |

Address
Luotuo Industrial Area, Zhenhai District, Ningbo City, China
Tel
