A slewing drive planetary gearbox is a mechanical device that consists of a gearbox and a slew ring, designed to provide rotational movement in industrial applications. It is commonly used in solar tracking systems, construction machinery, wind turbines, and other heavy equipment.

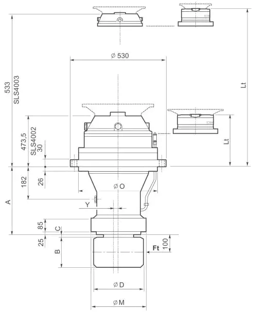
Our SLS400DC slewing drive planetary gearbox is designed to have the same installation dimensions as Replacement of Brevini Riduttori products, ensuring a high level of comparability in performance parameters. This makes it an ideal replacement for Replacement of Brevini Riduttori, although we do not sell Replacement of Brevini Riduttori products. Please refer to the following image for a comparison of installation dimensions:

Our slewing drive planetary gearbox finds applications in various industries, including:
When replacing an old slewing drive planetary gearbox, it is important to consider the following parameters:

It is necessary to replace a slewing drive gearbox when the following signs appear:
Join us now to experience the outstanding performance and reliability of our SLS400DC Slewing Drive Planetary Gearbox. Partner with us for your industrial needs!
Author: Miya
Address
Luotuo Industrial Area, Zhenhai District, Ningbo City, China
Tel
