Spindle Unit for CNC Machine Center JSX100 JSX120
Spindle units play a vital role in machining operations. Spindle designs range from belt-driven to motor-integrated spindles, including drive tools, and are used in a variety of machines, from high-speed milling to high-volume turning operations.
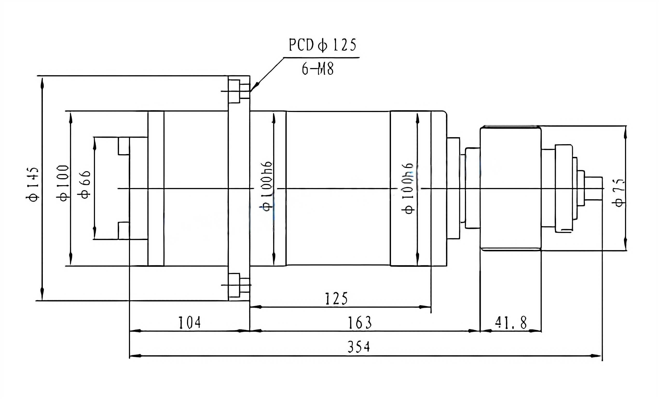
1. The spindle is a steel ball broach mechanism, and the stroke is 7~9mm.2. The form of the pulley can be specified by the customer.3. The broaching force is 3500N+ 10%, and recommend gas-liquid pressurized cylinders should be to3.5, T4. Distance 200mm runout: near the end is ≤0.002, and the far end is ≤0.007.5. Accept the special specifications of customers.
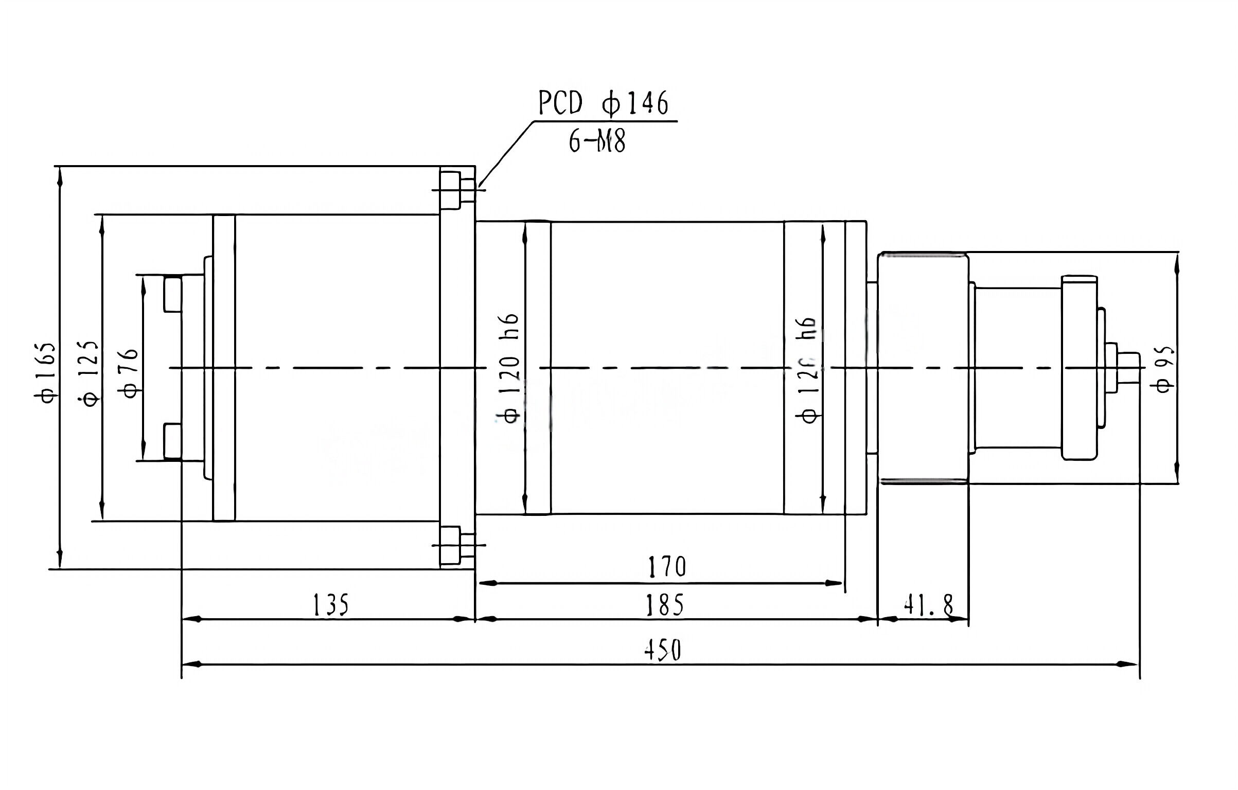
1. It has 2 types of broach mechanism, one is the steel ball type and the other is the pull claw type. The steel ball type stroke is 7~9mm and the pull claw is 5~7mm.2. The form of the pulley can be specified by the customer.3. The broaching force is 4500N + 10%, and recommend gas-liquid pressurized cylinders should be to 4.5T4. Distance 300mm runout: near the end is ≤0.002, and the far end is ≤0.007.5. Accept the special specifications of customers.




Address
Luotuo Industrial Area, Zhenhai District, Ningbo City, China
Tel
